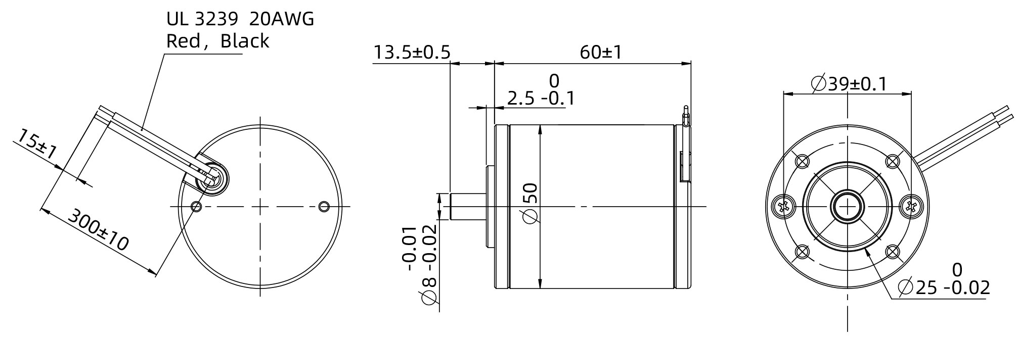
50ZYTC60-1 Brush DC 모터는 DC 정격 전압이 24V이며 최대 1,700RPM에서 구동하며, 22.5mN.m의 정격 토크를 출력합니다.
기어박스와 함께 다양한 리니어 액츄에이터로 커스터마이징 할 수 있습니다.
In a mobile environment, you can move left and right to see the contents (tables).
| 모터 형명 | - | 50ZYTC60-1 | |
|---|---|---|---|
| 정격 전압 | V | 24 | |
| 정격 토크 | mN·m | 22.5 | |
| 정격 속도 | RPM | 1700 | |
| 정격 전류 | A | 0.5 | |
| 무부하 속도 | RPM | 2300 | |
| 무부하 전류 | A | 0.2 | |
| 정격 출력 | W | 4 | |
| 정지 토크 | mN·m | 80 | |
| 정지 전류 | A | 1.1 | |
| 토크 상수 | mNm/A | 86.4 | |
| 역기전력 상수 | V/Krpm | 9.05 | |
| 선간 저항 | Ω | 20.2 | |
| 인덕턴스 | mH | 11 | |
| 회전자 관성 | g·cm² | 130 | |
| 시작 토크 | mN·m | 32 | |
| 소음 (환경 소음 20db, 테스트 거리 1m) | dB | <48 | |
| 수명 | H | >2500 | |
| 절연 저항 | - | 100M Ω/250V | |
| 작동 방식 | - | S1 | |
| 모터 무게 | kg | 0.38 | |