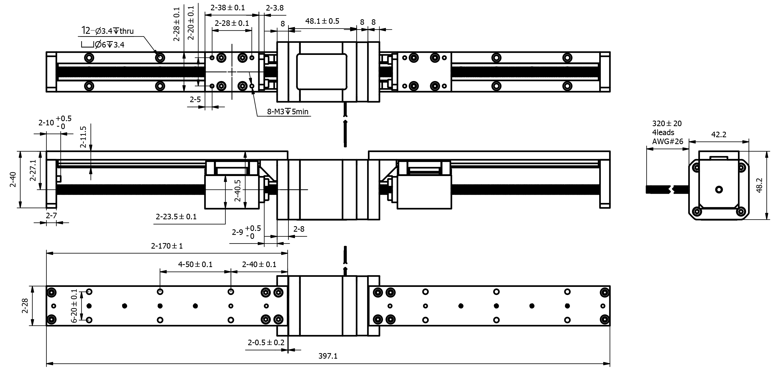
딩스의 다양한 플랫폼 제품들을 기초로 높은 정밀도의 리드 스크류 리니어 액츄에이터와 자체 개발한 리니어 모듈 조합을 통해 딩스는 매우 컴팩트하고 신뢰성 있는 리니어 솔루션인 DLM / L·R DLM 42mm 시리즈를 공급합니다.
DLM / L·R DLM 42mm 시리즈는 높은 정밀도와 다양한 스트로크 및 리드 옵션의 다양성을 보유하고 있으며 이를 통해 고객이 원하는 여러 커스터마이제이션 형태의 일체화된 제품 솔루션을 공급할 수 있습니다.
In a mobile environment, you can move left and right to see the contents (tables).
| 모터 | 전압[V] | 전류[A [RMS]] | 저항[Ω] | 인덕턴스[mH] | 모터 길이[mm] | 리드와이어 수. |
|---|---|---|---|---|---|---|
| 17E2105 | 7.2 | 0.5 | 14.4 | 19.8 | 34.1 | 4 |
| 17E2110 | 3.8 | 1.0 | 3.8 | 5 | 34.1 | 4 |
| 17E2115 | 2.85 | 1.5 | 1.9 | 2.2 | 34.1 | 4 |
| 17E2205 | 11.0 | 0.5 | 22.0 | 46 | 48.1 | 4 |
| 17E2212 | 4.5 | 1.2 | 3.8 | 8.0 | 48.1 | 4 |
| 17E2225 | 2.5 | 2.5 | 1.0 | 1.8 | 48.1 | 4 |
In a mobile environment, you can move left and right to see the contents (tables).
| 스크류 직경 [인치] | 스크류 직경 [mm] | 리드 [인치] | 리드 [mm] | 리드 코드 | 스텝 별 이송 거리 @1.8° [mm] |
|---|---|---|---|---|---|
| 0.25 | 6.35 | 0.024 | 0.6096 | AA | 0.003048 |
| 0.25 | 6.35 | 0.0394 | 1.0 | AB | 0.005 |
| 0.25 | 6.35 | 0.025 | 0.635 | A | 0.003175 |
| 0.25 | 6.35 | 0.048 | 1.2192 | B | 0.006096 |
| 0.25 | 6.35 | 0.05 | 1.27 | D | 0.00635 |
| 0.25 | 6.35 | 0.0625 | 1.5875 | F* | 0.0079 |
| 0.25 | 6.35 | 0.096 | 2.4384 | J | 0.0122 |
| 0.25 | 6.35 | 0.1 | 2.54 | K | 0.0127 |
| 0.25 | 6.35 | 0.125 | 3.175 | L | 0.0159 |
| 0.25 | 6.35 | 0.192 | 4.8768 | Q | 0.024 |
| 0.25 | 6.35 | 0.2 | 5.08 | R | 0.0254 |
| 0.25 | 6.35 | 0.25 | 6.35 | S | 0.0318 |
| 0.25 | 6.35 | 0.333 | 8.4667 | U | 0.0423 |
| 0.25 | 6.35 | 0.384 | 9.7536 | W | 0.0488 |
| 0.25 | 6.35 | 0.5 | 12.7 | Y | 0.0635 |
| 0.25 | 6.35 | 1 | 25.4 | Z | 0.127 |
| 0.315 | 8 | 0.1575 | 4 | M | 0.02 |
| 0.315 | 8 | 0.315 | 8 | T | 0.04 |
| 0.315 | 8 | 0.0787 | 2 | G | 0.01 |
| 0.315 | 8 | 0.3937 | 10 | C | 0.05 |
| 모델 | C100B(dyn)(N) | Co(stat)(N) | Mro(Nm) | Mpo(Nm) | Myo(Nm) |
|---|---|---|---|---|---|
| DLM / L·R DLM 42 | 2128 | 2702 | 16.541 | 8.799 | 8.799 |
In a mobile environment, you can move left and right to see the contents (tables).
| 사이즈 A (mm) |
스트로크 B (mm) |
무게 (kg) | |
|---|---|---|---|
| Single stack | Double stack | ||
| 120 | 50 | 0.508 | 0.658 |
| 170 | 100 | 0.568 | 0.7 |
| 220 | 150 | 0.628 | 0.805 |
| 270 | 200 | 0.688 | 0.82 |
| 320 | 250 | 0.748 | 0.91 |
| 370 | 300 | 0.808 | 0.94 |
| 420 | 350 | 0.868 | 1 |
| 470 | 400 | 0.928 | 1.06 |
| 520 | 450 | 0.988 | 1.12 |
| 570 | 500 | 1.048 | 1.18 |
* 표시된 중량 값은 참고용이며, 실제 제품 구성에 따라 변동될 수 있습니다.
In a mobile environment, you can move left and right to see the contents (tables).
| 스트로크 (mm) |
Single stack | Double stack | ||
|---|---|---|---|---|
| 총 길이 (mm) | 무게 (kg) | 총 길이 (mm) | 무게 (kg) | |
| 50 | 283.1 | 0.808 | 297.1 | 0.940 |
| 100 | 383.1 | 0.899 | 397.1 | 1.031 |
| 150 | 483.1 | 0.990 | 497.1 | 1.122 |
| 200 | 583.1 | 1.082 | 597.1 | 1.214 |
| 250 | 683.1 | 1.172 | 697.1 | 1.304 |
| 300 | 783.1 | 1.263 | 797.1 | 1.395 |
| 350 | 883.1 | 1.354 | 897.1 | 1.486 |
| 400 | 983.1 | 1.445 | 997.1 | 1.577 |