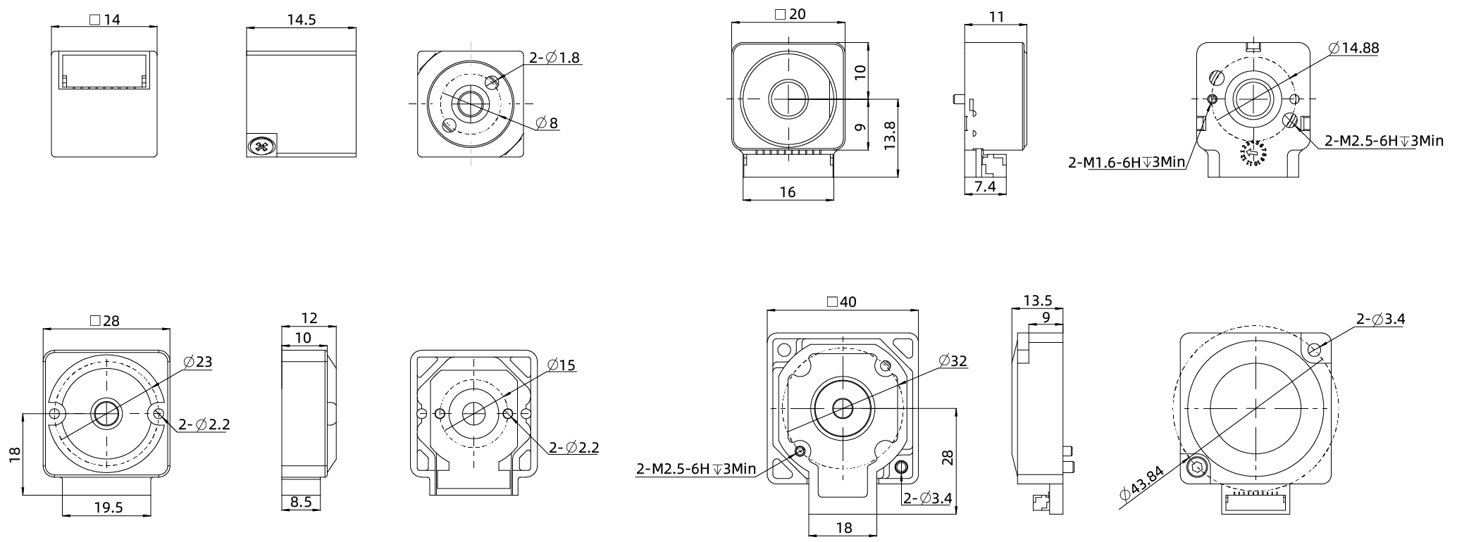
딩스는 애플리케이션 특성상 리니어 액츄에이터나 일반 스텝 모터로부터 피드백이 필요한 경우를 위해 다양한 엔코더 옵션을 보유하고 있습니다.
각기 다른 사이즈의 모터들에 대응하기 위해 딩스는 EK1부터 EK7까지 다양한 엔코더 솔루션을 보유하고 있습니다.
고객 애플리케이션 상황에 맞게, 고객들은 인덱스 출력 혹은 미출력 그리고 단상 및 차동 출력 방식등을 고려하여 딩스의 엔코더를 선택하실 수 있습니다.
또한 다양한 분해능의 엔코더는 고객의 애플리케이션 사양이나 정밀도 등에 맞게 손쉽게 선택될 수 있습니다.
모든 딩스의 표준 엔코더들은 광학식이며 증분식입니다. 엔코더 선택시 반드시 사이즈나 분해능, 출력 방식등을 고려하시어 적절한 솔루션을 찾으시고, 딩스나 대리점에 문의하시어 도움을 받으시기 바랍니다.
In a mobile environment, you can move left and right to see the contents (tables).
| 제품 타입 | 모터 종류 | 엔코더 | |
|---|---|---|---|
| 리드 스크류 스텝 모터 리니어 액츄에이터 | External | 6E | EK6, EK7 |
| 8E | EK1, EK7 | ||
| 11E | EK1, EK7 | ||
| 14E | EK1, EK2, EK7 | ||
| 17E | EK1, EK2, EK7 | ||
| 23E | EK2, EK3, EK7 | ||
| 24E | EK2, EK3, EK7 | ||
| 34E | EK3 | ||
| Non-Captive | 6N | EK6, EK7 | 8N | EK1, EK7 |
| 11N | EK1, EK7 | ||
| 14N | EK1, EK2, EK7 | ||
| 17N | EK1, EK2, EK7 | ||
| 23N | EK2, EK3, EK7 | ||
| 24N | EK2, EK3, EK7 | ||
| 34N | EK3 | ||
| Captive | 8C | EK1 | |
| 11C | EK1 | ||
| 14C | EK1, EK2 | ||
| 17C | EK1, EK2 | ||
| 23C | EK2, EK3 | ||
| 24C | EK2, EK3 | ||
| Kaptive | 6K | EK6 | 8K | EK1 |
| 11K | EK1 | ||
| 14K | EK1, EK2 | ||
| 17K | EK1, EK2 | ||
| 23K | EK2, EK3 | ||
| 24K | EK2, EK3 | ||
| DLG 시리즈 | DLG 28 | EK1 | |
| DLG 42 | EK1, EK2 | ||
| 중공축 스텝 모터 | 6HS | EK6, EK7 | 8HS | EK1, EK7 |
| 11HS | EK1, EK7 | ||
| 14HS | EK1, EK2, EK7 | ||
| 17HS | EK1, EK2, EK7 | ||
| 23HS | EK2, EK3, EK7 | ||
| 24HS | EK2, EK3, EK7 | ||
| 34HS | EK3 | ||
| 하이브리드 스텝 모터 | 6H | EK6, EK7 | |
| 8H | EK1, EK7 | ||
| 11H | EK1, EK7 | ||
| 14H | EK1, EK2, EK7 | ||
| 17H | EK1, EK2, EK7 | ||
| 23H | EK2, EK3, EK7 | ||
| 24H | EK2, EK3, EK7 | ||
| 34H | EK3 | ||
In a mobile environment, you can move left and right to see the contents (tables).
| 분해능 [CPR] |
100 | 108 | 120 | 125 | 128 | 200 | 250 | 256 | 300 | 360 | 400 | 500 | 1000 | 512 | 720 | 800 |
| 단상 출력 | 0 | 1 | 2 | 3 | 4 | 5 | 6 | 7 | 8 | 9 | 10 | 11 | 12 | 13 | 14 | 15 |
| 차동 출력 | A | B | C | D | E | F | G | H | I | J | K | L | M | N | O | P |
In a mobile environment, you can move left and right to see the contents (tables).
| 분해능 [CPR] | 50 | 100 | 192 | 200 | 250 | 256 | 360 | 400 | 500 | 720 | 900 | 1000 | 1250 | 2000 | 2500 | 4000 | 5000 |
| 단상 출력 | 0 | 1 | 2 | 3 | 4 | 5 | 6 | 7 | 8 | 9 | 10 | 11 | 12 | ||||
| 차동 출력 | A | B | C | D | E | F | G | H | I | J | K | L | M | N | O | P | Q |
In a mobile environment, you can move left and right to see the contents (tables).
| 분해능 [CPR] | 64 | 100 | 200 | 500 | 1000 | 1800 | 2000 | 2500 | 3600 | 4000 | 5000 | 7200 | 8000 | 10000 |
| 단상 출력 | 0 | 1 | 2 | 3 | 4 | 5 | 6 | 7 | 8 | |||||
| 차동 출력 | A | B | C | D | E | F | G | H | I | J | K | L | M |
In a mobile environment, you can move left and right to see the contents (tables).
| 분해능 [CPR] | 250 | 256 | 500 | 512 | 1000 | 1024 | 2000 | 2048 | 4000 | 4096 | ||||
| 단상 출력 | 0 | 1 | 2 | 3 | 4 | 5 | 6 | 7 | 8 | 9 | ||||
| 차동 출력 | A | B | C | D | E | F | G | H | I | J | K | L | M |
In a mobile environment, you can move left and right to see the contents (tables).
| 분해능 [CPR] | 1000 | 2000 | ||||||||
| 단상 출력 | 0 | 1 | 2 | 3 | 4 | 5 | 6 | 7 | 8 | 9 |
| 차동 출력 | A | B | C | D | E | F | G | H | I | J |