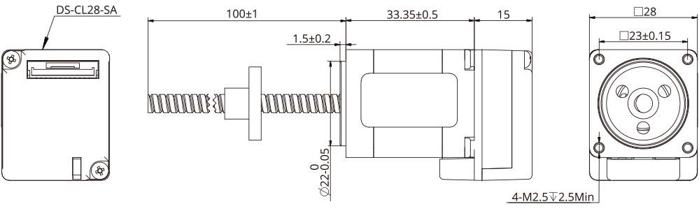
딩스는 총 3가지의 각기 다른 모터 사이즈와 그에 맞는 RS-485 통신 기반 일체형 폐루프 스텝 모터 제어 시스템을 제공합니다.
NEMA11 사이즈부터 17 및 23 사이즈까지 DS-CL28/42-SA 제품과 Vector 패밀리 제품은 고정밀도 (최소 10,000PPR) 엔코더와 일체형 제어기가 하나로 장착된 제품으로서 딩스사의 스텝 모터 및 스텝 모터 리니어 액츄에이터에 고루 적용되어 고객 선택의 폭을 넓혔으며 모든 일체형 제품은 RS-485 통신 기반입니다.
In a mobile environment, you can move left and right to see the contents (tables).
| 적용 모터 | 2상 하이브리드 스텝 모터, 최대 허용 전류 : 1.0A (max.) | |
|---|---|---|
| 입력 전압 | 24 VDC ± 10 % | |
| 출력 전류 | 0.1A - 1.0A / 상 (max.) | |
| 구동 방식 | Full-bridge 바이폴라 PWM 방식 | |
| 제어 방식 | RS485 통신 제어 | |
| 엔코더 지원 | 내장형 INC 엔코더 | 입력 신호 | 4 범용 입력 신호 | 광절연 입력: 전압 24VDC |
| 사용 환경 | 사용 장소 | 먼지, 유증기 및 부식성 가스를 피할 것 |
| 습도 | < 85% RH, 결로 없을 것 | |
| 온도 | 0 ~ 40°C | |
| 방열 | 환기가 잘 되는 곳에 설치 | |
| 파일명 | 형식 | 크기 | 다운로드 |
|---|---|---|---|
DS-CL28 42-SA Communication Function |
5.32 MB | 다운로드 | |
DS-CL28 42-SA Position Table |
1.19 MB | 다운로드 | |
DS-CL28 42-SA Text |
1.81 MB | 다운로드 | |
DS-CL28 42-SA UserProgram (GUI) Function |
1.23 MB | 다운로드 |
| 파일명 | 형식 | 크기 | 다운로드 |
|---|---|---|---|
| DS-CL28/42-SA Ezi Motion | ZIP | 59.01 MB | 다운로드 |
In a mobile environment, you can move left and right to see the contents (tables).
| 적용 모터 | 2상 하이브리드 스텝 모터, 최대 허용 전류: 1.5A (max.) | ||
|---|---|---|---|
| 입력 전압 | 24 VDC | ||
| 출력 전류 | 0.5A - 1.5A / 상 (max.) | ||
| 구동 방식 | Full-bridge 바이폴라 PWM 방식 | ||
| 제어 방식 | RS485 통신 제어 | ||
| 엔코더 지원 | 내장형 INC 엔코더 지원 | ||
| 입력 신호 | 3 고속 입력 신호 | 광절연 입력: H = 3.5–5V, L = 0–0.8V, 입력 전류 6–15mA, 최대 응답 주파수 500kHz | |
| 출력 신호 | 알람 출력 신호 | 광절연 출력: 최대 전압 30VDC, 최대 전류 10mA | |
| 사용 환경 | 사용 장소 | 먼지, 유증기 및 부식성 가스를 피할 것 | |
| 습도 | < 85% RH, 결로 없을 것 | ||
| 온도 | 0 ~ 40℃ | ||
| 방열 | 환기가 잘 되는 곳에 설치 | ||
| 파일명 | 형식 | 크기 | 다운로드 |
|---|---|---|---|
DS-CL28-IRS4(IPD) |
839.11 KB | 다운로드 | |
Integrated Alone Drive_Accessory Selection Manual |
676.89 KB | 다운로드 |
| 파일명 | 형식 | 크기 | 다운로드 |
|---|---|---|---|
| DINGS' Tuner Pro v4.1.12 | ZIP | 3.38 MB | 다운로드 |
In a mobile environment, you can move left and right to see the contents (tables).
| 적용 모터 | 2상 하이브리드 스텝 모터, 최대 허용 전류: 1.2A (max.) | ||
|---|---|---|---|
| 입력 전압 | 24 VDC ± 10 % | ||
| 출력 전류 | 0.1A - 1.2A / 상 (max.) | ||
| 구동 방식 | Full-bridge 바이폴라 PWM 방식 | ||
| 제어 방식 | RS485 통신 제어 | ||
| 엔코더 지원 | 내장형 INC 엔코더 | ||
| 입력 신호 | 7 범용 입력 신호 | 광절연 입력: 전압 24VDC | |
| 출력 신호 | 3범용 입력 신호 | 광절연 출력: 전압 24VDC | |
| 1 브레이크 출력 신호 | 24VDC | ||
| 사용 환경 | 사용 장소 | 먼지, 유증기 및 부식성 가스를 피할 것 | |
| 습도 | < 85% RH, 결로 없을 것 | ||
| 온도 | 0 ~ 40℃ | ||
| 방열 | 환기가 잘 되는 곳에 설치 | ||
| 파일명 | 형식 | 크기 | 다운로드 |
|---|---|---|---|
DS-CL28 42-SA Communication Function |
5.32 MB | 다운로드 | |
DS-CL28 42-SA Position Table |
1.19 MB | 다운로드 | |
DS-CL28 42-SA Text |
1.81 MB | 다운로드 | |
DS-CL28 42-SA UserProgram (GUI) Function |
1.23 MB | 다운로드 |
| 파일명 | 형식 | 크기 | 다운로드 |
|---|---|---|---|
| DS-CL28/42-SA Ezi Motion | ZIP | 59.01 MB | 다운로드 |
In a mobile environment, you can move left and right to see the contents (tables).
| 드라이브 모델 | DS-OL42-ICAO | DS-OL42-IRS4 (IPD) | |||
|---|---|---|---|---|---|
| 적용 모터 | 2상 하이브리드 스텝 모터, 최대 허용 전류 : 3.0A (max.) | ||||
| 입력 전압 | 24 - 36VDC | ||||
| 출력 전류 | 0.5A - 3.0A / 상 (max.) | ||||
| 구동 방식 | Full-bridge 바이폴라 PWM 방식 | ||||
| 제어 방식 | CANopen | RS485 / 펄스-방향 | |||
| 엔코더 지원 | 미지원 | ||||
| 입력 신호 |
4 범용 입력 광절연 입력: H = 5V, L = 0~0.8V, 6~15mA |
2 고속 입력 광절연 입력: H = 3.5~26V, L = 0~0.8V, 5~8mA, 최대 200kHz |
|||
|
2 범용 입력 광절연 입력: H = 5V, L = 0~0.8V, 5~8mA |
|||||
| 출력 신호 | 1 범용 출력 신호 | 광절연 출력: 최대 전압 30VDC, 최대 전류 10mA | |||
| 크기 (커넥터 제외) | 42.2 x 42.2 x 25.2 mm | ||||
| 무게 (커넥터 제외) | 약 60g | ||||
| 사용 환경 | 사용 장소 | 먼지, 유증기 및 부식성 가스를 피할 것 | |||
| 습도 | < 85% RH, 결로 없을 것 | ||||
| 온도 | 0 ~ 40℃ | ||||
| 방열 | 환기가 잘 되는 곳에 설치 | ||||

| 파일명 | 형식 | 크기 | 다운로드 |
|---|---|---|---|
DS-OL42-IPD(IRS4) Manual |
1.19 MB | 다운로드 | |
DS-OL42-ICAO Manual |
3.86 MB | 다운로드 | |
Simple Tuner Pro Quick User Guide |
1.22 MB | 다운로드 | |
Integrated Alone Drive_Accessory Selection Manual |
676.89 KB | 다운로드 |
| 파일명 | 형식 | 크기 | 다운로드 |
|---|---|---|---|
| DINGS' Tuner Pro v4.1.12 | ZIP | 3.38 MB | 다운로드 |
| DINGS' Tuner FB | RAR | 1.05 MB | 다운로드 |
| EDS File | ZIP | 8.47 KB | 다운로드 |
In a mobile environment, you can move left and right to see the contents (tables).
| 드라이브 모델 | DS-OL57-ICAO | DS-OL57-IRS4 (IPD) | DS-OL57-ISC | ||||
|---|---|---|---|---|---|---|---|
| 적용 모터 | 2상 하이브리드 스텝 모터, 최대 허용 전류 : 5.6A (max.) | ||||||
| 입력 전압 | 24 - 48VDC | ||||||
| 출력 전류 | 0.5A - 5.6A / 상 (max.) | ||||||
| 구동 방식 | Full-bridge 바이폴라 PWM 방식 | ||||||
| 제어 방식 | CANopen | RS485 / 펄스 입력 | 아날로그 속도 지령 | ||||
| 엔코더 지원 | 미지원 | ||||||
| 입력 신호 |
4 범용 입력 광절연 입력: H = 3.5~5V, L = 0~0.8V, 5~8mA |
2 고속 입력 광절연 입력: H = 3.5~26V, L = 0~0.8V, 5~8mA |
3 고속 입력 광절연 입력: H = 3.5~5V, L = 0~0.8V, 5~8mA, 최대 200kHz |
||||
|
2 범용 입력 광절연 입력: H = 3.5~5V, L = 0~0.8V, 5~8mA |
아날로그 입력 10K 포텐셔미터 (가변저항기) 혹은 0 ~ 5V 아날로그 제어 |
||||||
| 출력 신호 | 1 범용 출력 신호 | 광절연 출력: 최대 전압 30VDC, 최대 전류 10mA | |||||
| 크기 (커넥터 제외) | 56.2 x 56.2 x 25.4 mm | ||||||
| 무게 (커넥터 제외) | 약 60g | ||||||
| 사용 환경 | 사용 장소 | 먼지, 유증기 및 부식성 가스를 피할 것 | |||||
| 습도 | < 85% RH, 결로 없을 것 | ||||||
| 온도 | 0 ~ 40℃ | ||||||
| 방열 | 환기가 잘 되는 곳에 설치 | ||||||

| 파일명 | 형식 | 크기 | 다운로드 |
|---|---|---|---|
DS-OL57-ICAO |
3.83 MB | 다운로드 | |
DS-OL57-IRS4 |
756.3 KB | 다운로드 | |
DS-OL57-ISC |
703.38 KB | 다운로드 | |
Integrated Alone Drive_Accessory Selection Manual |
676.89 KB | 다운로드 |
| 파일명 | 형식 | 크기 | 다운로드 |
|---|---|---|---|
| DINGS' Tuner FB | RAR | 1.05 MB | 다운로드 |
| EDS File | ZIP | 8.47 KB | 다운로드 |