딩스는 속도 및 위치 제어를 위한 광범위한 BLDC 모터 제어 장치를 제공합니다.
정격 10A까지 (최대 30A), 딩스는 RS-485 통신 및 아날로그 명령을 통해 2가지 종류의 속도 제어기(DS-OLBD 시리즈)를 제공합니다.
또한 딩스는 CANOpen 및 EtherCAT 기반의 Mini BLDC 모터 위치 제어기(DS-BVM) 및 Standard BLDC 모터 위치 제어기(DS-BVS) 솔루션을 제공합니다.
DS-BVM은 정격 3A (최대 6A) 전류를 지원하며, DS-BVS는 정격 10A (최대 20A)전류를 지원합니다.
In a mobile environment, you can move left and right to see the contents (tables).
| 적용 모터 | DC / BLDC / PMSM / VCM | |
|---|---|---|
| 입력 전압 | 12 - 48VDC | |
| 출력 전류 | 10A (정격), 20A (최대) | |
| 구동 방식 | 3상 FOC PWM 구동 | |
| 제어 방식 | EtherCAT, CANopen | |
| 엔코더 지원 | INC 엔코더, Sin/Cos 엔코더, BiSS/SSI ABS 엔코더 | |
| 입력 신호 | 6 범용 입력 신호 | 광절연 입력: 전압 24VDC |
| 출력 신호 | 2 범용 출력 신호 | 광절연 출력: 전압 24VDC, 최대 전류 40mA |
| 아날로그 입력 신호 | ±10 VDC | |
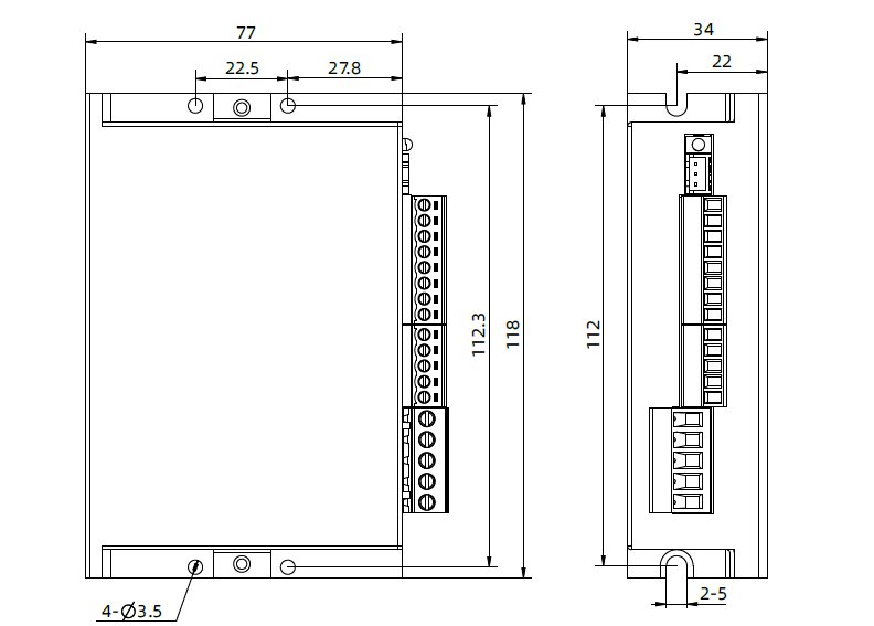
| 크기 (커넥터 제외) | 109.5 x 73.5 x 31 mm | |
| 무게 (커넥터 제외) | 약 296g | |
| 사용 환경 | 사용 장소 | 먼지, 유증기 및 부식성 가스를 피할 것 |
| 습도 | 10 - 90% RH, 결로 없을 것 | |
| 온도 | 0 ~ 50°C | |
| 방열 | 환기가 잘 되는 곳에 설치 | |
| 파일명 | 형식 | 크기 | 다운로드 |
|---|---|---|---|
DS-BVS-FETC/FCAO-Hardware Manual |
1.16 MB | 다운로드 | |
DINGS' Servo Studio Manual |
4.58 MB | 다운로드 | |
DS-BVS/BVM Series Reference Manual |
4.65 MB | 다운로드 | |
Stand Alone Drive_Accessory Selection Manual |
2.68 MB | 다운로드 |
| 파일명 | 형식 | 크기 | 다운로드 |
|---|---|---|---|
| DINGS' Servo Studio | ZIP | 4.59 MB | 다운로드 |
| DS-BVS-FETC DS-BVM-FETC XML File | ZIP | 14.27 KB | 다운로드 |
| DS-BVS-FCAO DS-BVM-FCAO EDS File | ZIP | 8.43 KB | 다운로드 |
In a mobile environment, you can move left and right to see the contents (tables).
| 적용 모터 | DC / BLDC / PMSM / VCM | |
|---|---|---|
| 입력 전압 | 12 - 48VDC | |
| 출력 전류 | 3A (정격), 6A (최대) | |
| 구동 방식 | 3상 FOC PWM 구동 | |
| 제어 방식 | EtherCAT, CANopen | |
| 엔코더 지원 | INC 엔코더, Sin/Cos 엔코더, BiSS/SSI ABS 엔코더 | |
| 입력 신호 | 6 범용 입력 신호 | 광절연 입력: 전압 24VDC |
| 출력 신호 | 2 범용 출력 신호 | 광절연 출력: 전압 24VDC, 최대 전류 40mA |
| 아날로그 입력 신호 | ±10 VDC | |
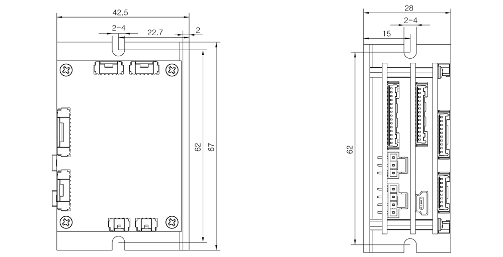
| 크기 (커넥터 제외) | 케이스 미포함: 67 x 42.5 x 28 mm / 케이스 포함: 72 x 44.3 x 29.8 mm | |
| 무게 (커넥터 제외) | 케이스 미포함: 71g / 케이스 포함: 90g | |
| 사용 환경 | 사용 장소 | 먼지, 유증기 및 부식성 가스를 피할 것 |
| 습도 | 10 - 90% RH, 결로 없을 것 | |
| 온도 | 0 ~ 50°C | |
| 방열 | 환기가 잘 되는 곳에 설치 | |
| 파일명 | 형식 | 크기 | 다운로드 |
|---|---|---|---|
DS-BVM-FETC/FCAO Hardware Manual |
1.19 MB | 다운로드 | |
DINGS' Servo Studio Manual |
4.58 MB | 다운로드 | |
DS-BVS/BVM Series Reference Manual |
4.65 MB | 다운로드 | |
Stand Alone Drive_Accessory Selection Manual |
2.68 MB | 다운로드 |
| 파일명 | 형식 | 크기 | 다운로드 |
|---|---|---|---|
| DINGS' Servo Studio | ZIP | 4.59 MB | 다운로드 |
| DS-BVS-FETC DS-BVM-FETC XML File | ZIP | 14.27 KB | 다운로드 |
| DS-BVS-FCAO DS-BVM-FCAO EDS File | ZIP | 8.43 KB | 다운로드 |
In a mobile environment, you can move left and right to see the contents (tables).
| 적용 모터 | Brushless DC | |
|---|---|---|
| 입력 전압 | 12 - 48VDC | |
| 출력 전류 | 6A (정격), 18A (최대) | |
| 구동 방식 | 3상 PWM 구동 | |
| 제어 방식 | 아날로그 속도 제어, RS485 | |
| 센싱 방식 | 디지털 홀센서 | |
| 입력 신호 | FR (방향) 신호 | 단일 종단 신호 입력 (Single-ended input type) |
| EN (동작) 신호 | ||
| BK (브레이크) 신호 | ||
| 출력 신호 | PG (속도 출력) 신호 | OC 출력, 최대 전류 : 10 mA |
| ALM (알람) 신호 | ||
| 아날로그 입력 신호 | 10KΩ 포텐셔미터 (가변저항기) 혹은 0–5 VDC | |
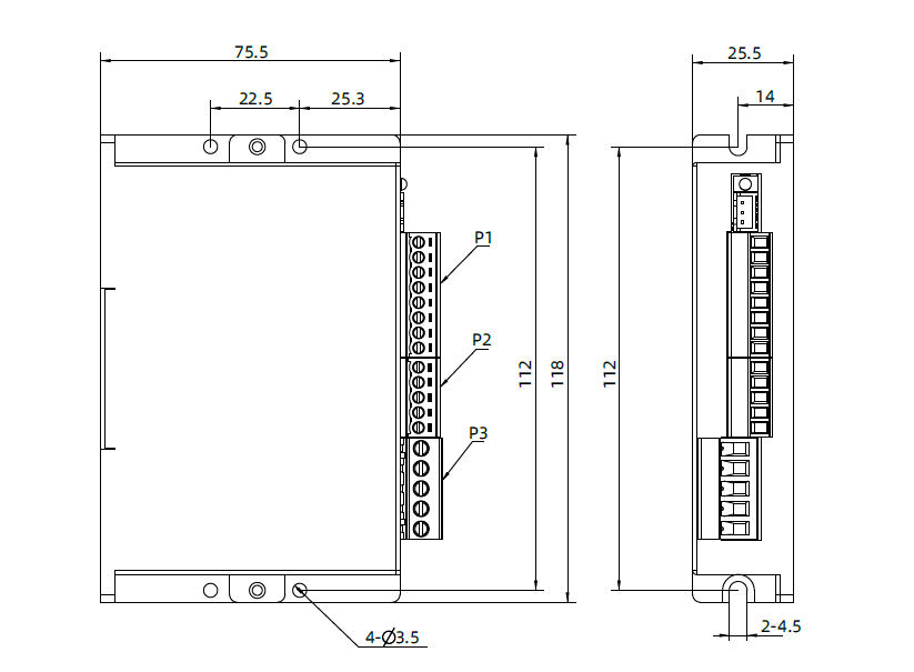
| 크기 (커넥터 제외) | 118 x 75.5 x 25.5 mm | |
| 무게 (커넥터 제외) | 약 200g | |
| 사용 환경 | 사용 장소 | 먼지, 유증기 및 부식성 가스를 피할 것 |
| 습도 | <85% RH, 응결이 되지 않을 것 | |
| 온도 | -15 ~ 50°C | |
| 방열 | 환기가 잘 되는 곳에 설치 | |
| 파일명 | 형식 | 크기 | 다운로드 |
|---|---|---|---|
DS-OLBD1-FRS4 |
542.24 KB | 다운로드 |
| 파일명 | 형식 | 크기 | 다운로드 |
|---|---|---|---|
| Simple Tuner V6.2.4 | ZIP | 3.64 MB | 다운로드 |
In a mobile environment, you can move left and right to see the contents (tables).
| 적용 모터 | Brushless DC | |
|---|---|---|
| 입력 전압 | 12 - 48VDC | |
| 출력 전류 | 10A (정격), 30A (최대) | |
| 구동 방식 | 3상 PWM 구동 | |
| 제어 방식 | 아날로그 속도 제어, RS485 | |
| 센싱 방식 | 디지털 홀센서 | |
| 입력 신호 | FR (방향) 신호 | 단일 종단 신호 입력 (Single-ended input type) |
| EN (동작) 신호 | ||
| BK (브레이크) 신호 | ||
| 출력 신호 | PG (속도 출력) 신호 | OC 출력, 최대 전류 : 10 mA |
| ALM (알람) 신호 | ||
| 아날로그 입력 신호 | 10KΩ 포텐셔미터 (가변저항기) 혹은 0–5 VDC | |
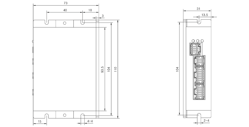
| 크기 (커넥터 제외) | 118 x 77 x 34 mm | |
| 무게 (커넥터 제외) | 약 300g | |
| 사용 환경 | 사용 장소 | 먼지, 유증기 및 부식성 가스를 피할 것 |
| 습도 | <85% RH, 응결이 되지 않을 것 | |
| 온도 | -15 ~ 50°C | |
| 방열 | 환기가 잘 되는 곳에 설치 | |
| 파일명 | 형식 | 크기 | 다운로드 |
|---|---|---|---|
DS-OLBD3-FRS4 |
544.95 KB | 다운로드 |
| 파일명 | 형식 | 크기 | 다운로드 |
|---|---|---|---|
| Simple Tuner V6.2.4 | ZIP | 3.64 MB | 다운로드 |