16ZWC32L-1은 매우 컴팩트한 사이즈지만 최적화된 자기 회로를 갖춘 Brushless DC 모터입니다.
고성능의 토크를 낼 수 있는 Core 권선 시스템과 2 폴페어 구조를 통해 강하고 역동적인 성능을 발휘할 수 있습니다.
16ZWC32L-1 시리즈는 최대 16,300RPM까지 구동 가능합니다.
In a mobile environment, you can move left and right to see the contents (tables).
| 모터 형명 | - | 16ZWC32L-1 | |
|---|---|---|---|
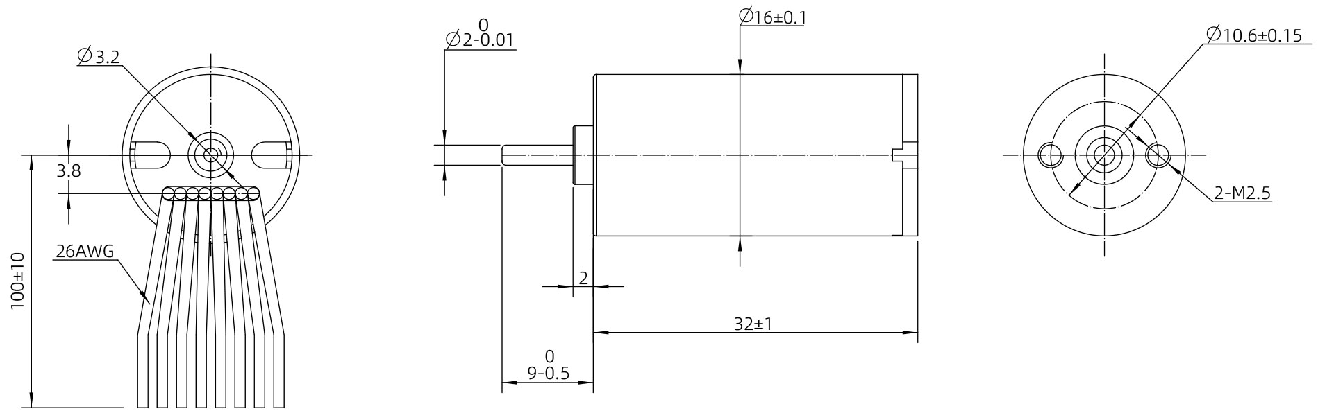
| 본체 길이 (LT) | mm | 32±0.3 | |
| 폴페어 | - | 2 | |
| 선간 저항 | Ω | 6.5 | |
| 선간 인덕턴스 | mH | 0.78 | |
| 권선 연결 | - | Star shape | |
| 절연 등급 | - | B | |
| Duty 종류 | - | S2 | |
| 피드백 방법 | - | 홀센서 | |
| 정류 각도 | - | 120° | |
| 절연 강도 (내전압) | - | 500VAC/1KHz/1mA/1s | |
| 절연 저항 | - | 100 MΩ/500VDC | |
| 무게 | g | 25.5 | |
| 정격 전압 | V | 24 | |
| 정격 출력 | W | 9.2 | |
| 정격 토크 | N·m | 0.007 | |
| 정격 속도 | RPM | 12600 | |
| 정격 전류 | A | 0.65 | |
| 무 부하 속도 | RPM | 16300 | |
| 무 부하 전류 | A | 0.22 | |
| 모터 효율 | % | 71.6 | |
| 코깅 토크 | mN.m | 4.5 | |
|
소음 (주변소음 20db,측정거리 1m) |
dB | <50 | |
| 케이스 - 주변 열 저항 | K/W | 0.9 | |
| 주변 온도 | ℃ | 25 | |
| 최대 권선 온도 | ℃ | 68.5 | |
| 토크 상수 | N·m/A | 0.011 | |
| Back-EMF 상수 / 유효값 | V/Krpm | 1.25 | |
| 최대 (peak) 토크 | N·m | 0.021 | |
| 최대 (peak) 전류 | A | 1.95 | |
| 로터 관성 | g·cm² | 0.45 | |
In a mobile environment, you can move left and right to see the contents (tables).
| Lead-out 유형 | Lead-out 색상 | 기능 | |
|---|---|---|---|
| UL3265 AWG26 | 노랑 | Hall U(Hu) | |
| 초록 | Hall V(Hv) | ||
| 파랑 | Hall W(Hw) | ||
| 빨강 | 홀 전원 positive(Vcc) | ||
| 검정 | 홀 전원 negative(GND) | ||
| UL3265 AWG26 | 회색 | U 상 | |
| 흰색 | V 상 | ||
| 갈색 | W 상 | ||

In a mobile environment, you can move left and right to see the contents (tables).
| 단 | - | 1단 | 2단 | 3단 | 4단 |
|---|---|---|---|---|---|
| 감속비 | X : 1 | 3.9, 5.3 | 16, 21, 28 | 62, 83, 111, 150 | 243, 326, 439, 590, 794 |
| 최대 백래쉬 | ° | 1.0 | 1.2 | 1.3 | 1.4 |
| 최대 연속 출력 전력 | W | 6.5 | 3.2 | 1.6 | 0.6 |
| 최대 순간 출력 전력 | W | 8.0 | 4.0 | 2.0 | 0.75 |
| 최대 연속 입력 속도 | rpm | 12000 | 14000 | 14000 | 14000 |
| 최대 순간 입력 속도 | rpm | 15000 | 18000 | 18000 | 18000 |
| 최대 연속 토크 | N·m | 0.2 | 0.25 | 0.35 | 0.45 |
| 최대 순간 토크 | N·m | 0.25 | 0.35 | 0.45 | 0.55 |
| 최대 효율 | % | 90 | 80 | 75 | 65 |
| 무게 | g | 25 | 31 | 37 | 42 | 감속기 길이 L | mm | 18.7 | 25.5 | 30.2 | 42 |