110mm Brushless DC 모터의 최대 정격 토크는 4.6N·m이며 정격 출력 용량은 710W 입니다.
110mm 모터는 스타 형식의 권선 연결 및 홀 센서 피드백 방식을 갖춘 10극 (5폴페어) 모터가 표준으로 제공됩니다.
또한 기어박스와 증분형 엔코더도 사용 가능합니다.
In a mobile environment, you can move left and right to see the contents (tables).
| 모터 형명 | - | 110ZWS132XE-1 | |
|---|---|---|---|
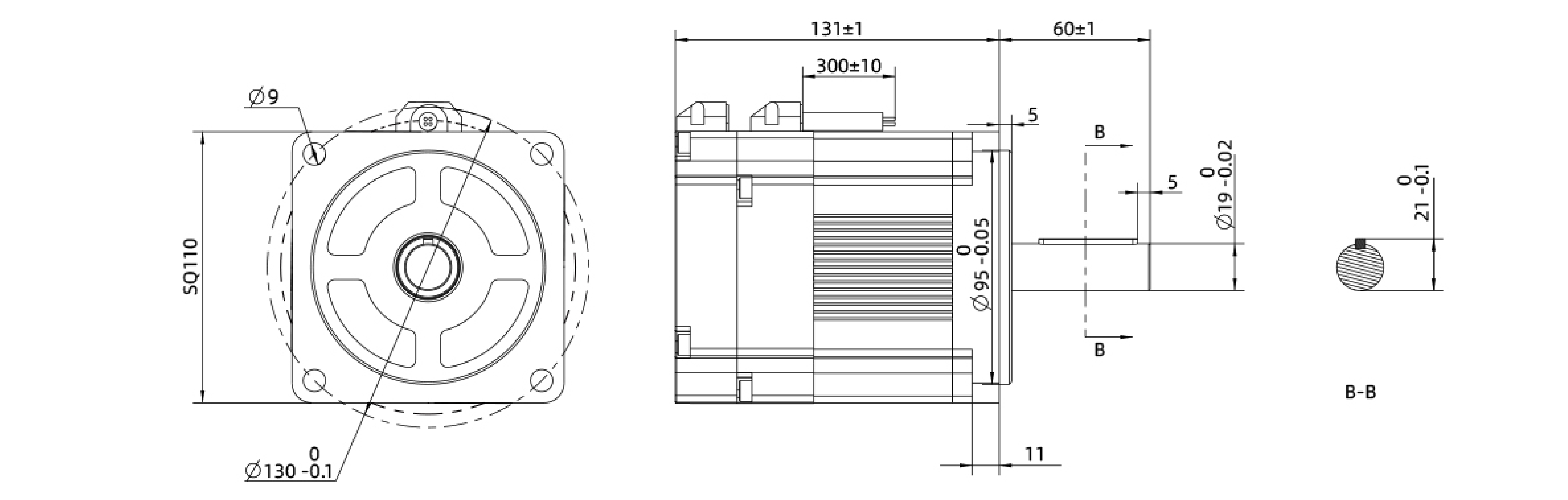
| 본체 길이 (LT) | mm | 131±1 | |
| 폴페어 | - | 5 | |
| 선간 저항 | Ω | 1.04 | |
| 선간 인덕턴스 | mH | 3.658 | |
| 권선 연결 | - | Star shape | |
| 절연 등급 | - | B | |
| Duty 종류 | - | S1 | |
| 정류 각도 | - | 120° | |
| 절연 강도 (내전압) | - | 1000VAC/1KHz/1mA/1s | |
| 절연 저항 | - | 100 MOhm 20C | |
| 무게 | Kg | 3 | |
| 정격 전압 | V | 120 | |
| 정격 출력 | W | 710.0 | |
| 정격 토크 | N·m | 4.6 | |
| 정격 속도 | RPM | 1500 | |
| 정격 전류 | A | 9.6 | |
| 무 부하 속도 | RPM | 1850 | |
| 무 부하 전류 | A | 0.65 | |
| 모터 효율 | % | 90 | |
| 소음(주변소음 20db,측정거리 1m) | dB | <50 | |
| 케이스 - 주변 열 저항 | K/W | 0.36 | |
| 주변 온도 | ℃ | 20 | |
| 최대 권선 온도 | ℃ | 88 | |
| 토크 상수 | N·m/A | 0.479 | |
| Back-EMF 상수 / 유효값 | V/Krpm | 67.83 | |
| 최대 (peak) 토크 | N·m | 13.8 | |
| 최대 (peak) 전류 | A | 28.8 | |
| 로터 관성 | Kg·cm² | 10.2 | |
In a mobile environment, you can move left and right to see the contents (tables).
| Lead-out 유형 | Lead-out 색상 | 기능 | |
|---|---|---|---|
| UL3265 AWG16 | 노랑 | U phase | |
| 빨강 | V phase | ||
| 검정 | W phase | ||
