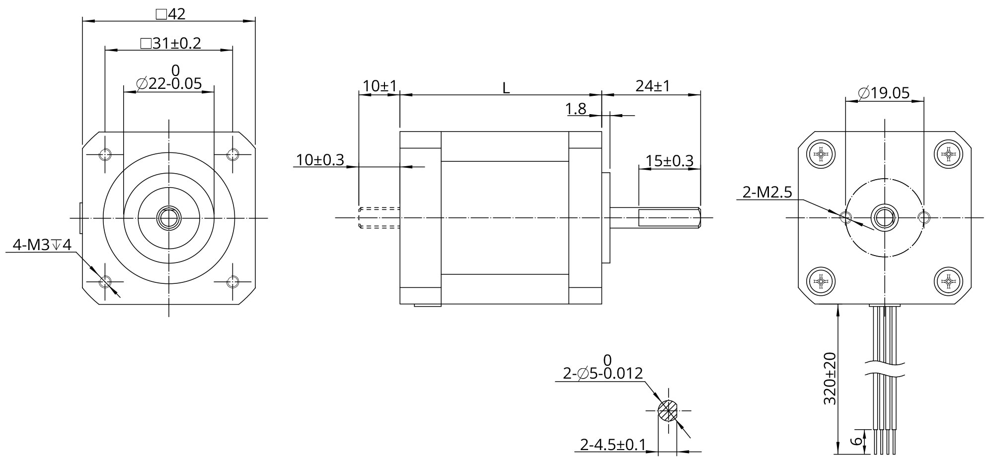
42mm [NEMA 17] 사이즈의 하이브리드 스텝 모터는 최대 0.72N·m의 홀딩 토크를 가지고 있습니다.
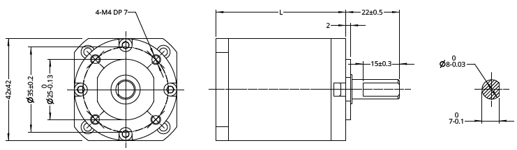
엔코더와 42mm 사이즈의 유성 감속기 솔루션의 선택이 가능합니다.
별도의 권선이나 커스터마이제이션을 원하시는 경우, 딩스에 별도로 문의하여 주시기 바랍니다.
In a mobile environment, you can move left and right to see the contents (tables).
| 일반 | |||||||
|---|---|---|---|---|---|---|---|
| 정밀도 | 스텝 각도 | 1.8°±5% | |||||
| 저항 | ±10% / 20 C | ||||||
| 인덕턴스 | ±20% / 1KHz | ||||||
| 절연 등급 | B | ||||||
| Duty 종류 | S1 | ||||||
| 내전압 | 500 VAC / 1 KHz / 1 mA / 1 s | ||||||
| 절연 저항 | 100 MΩ / 500 VDC | ||||||
| 허용 반경 방향 하중 (모터 취부면으로부터 5mm 거리) |
허용 반경 방향 하중 (모터 취부면으로부터 10mm 거리) |
허용 반경 방향 하중 (모터 취부면으로부터 15mm 거리) |
허용 반경 방향 하중 (모터 취부면으로부터 20mm 거리) |
||||
| 50N | 40N | 25N | 20N | ||||
| 파라미터 | |||||||
| 종류 | 전류 (A [RMS]) |
저항 (Ω) |
인덕턴스 (mH) |
홀딩 토크 (N·m) |
로터 관성 (g·cm2) |
길이 (mm) |
중량 (g) |
| 17H2031 | 1.2 | 1.7 | 2.3 | 0.16 | 23 | 31 | 200 |
| 17H2034 | 1.2 | 2.1 | 2.7 | 0.25 | 25 | 34 | 230 |
| 17H2041 | 1.2 | 2.4 | 4.7 | 0.4 | 54 | 41 | 300 |
| 17H2049 | 2.0 | 1.3 | 2.0 | 0.48 | 77 | 49 | 360 |
| 17H2061 | 2.0 | 1.7 | 3.6 | 0.72 | 110 | 61 | 500 |
| 재질 | |||||||
| 모터 전/후 하우징 | 알루미늄 합금 | ||||||
| 베어링 | 깊은 홈 볼 베어링 | ||||||
| 자석 | NdFeB 소결 자석 | ||||||
| 샤프트 | 스테인레스 강 | ||||||
| 리드와이어 | UL 3265, 26/24 AWG | ||||||
In a mobile environment, you can move left and right to see the contents (tables).
| 분해능 [CPR] |
100 | 108 | 120 | 125 | 128 | 200 | 250 | 256 | 300 | 360 | 400 | 500 | 1000 | 512 | 720 | 800 |
| 단상 출력 | 0 | 1 | 2 | 3 | 4 | 5 | 6 | 7 | 8 | 9 | 10 | 11 | 12 | 13 | 14 | 15 |
| 차동 출력 | A | B | C | D | E | F | G | H | I | J | K | L | M | N | O | P |
In a mobile environment, you can move left and right to see the contents (tables).
| 분해능 [CPR] | 50 | 100 | 192 | 200 | 250 | 256 | 360 | 400 | 500 | 720 | 900 | 1000 | 1250 | 2000 | 2500 | 4000 | 5000 |
| 단상 출력 | 0 | 1 | 2 | 3 | 4 | 5 | 6 | 7 | 8 | 9 | 10 | 11 | 12 | ||||
| 차동 출력 | A | B | C | D | E | F | G | H | I | J | K | L | M | N | O | P | Q |
In a mobile environment, you can move left and right to see the contents (tables).
| 하우징 재질 | 금속 | |||||
| 무부하 백래쉬 | 1.2° | |||||
| 베어링 | 볼 베어링 | |||||
| 감속비 | 정격 토크 (N·m) |
제한 토크 (N·m) |
단 | 효율 (%) |
길이 (mm) |
중량 (g) |
|---|---|---|---|---|---|---|
| 3.7 | 1 | 3 | 1 | 90 | 30.6 | 260 |
| 5.2 | ||||||
| 13.7 | 2 | 6 | 2 | 81 | 41.9 | 350 |
| 19.2 | ||||||
| 26.9 | ||||||
| 50.9 | 5 | 15 | 3 | 73 | 53.2 | 440 |
| 71.2 | ||||||
| 99.5 | ||||||
In a mobile environment, you can move left and right to see the contents (tables).
| 정격 전압 | DC 24V ± 5% | |
|---|---|---|
| 저항 | 145Ω ± 10% | |
| 전력 소모 | 5W | |
| 홀딩 토크 | >0.8N.M | |
| 절연 등급 | B | |
| 절연 저항 | >100MΩ (DC500V) | |
| 내전압 | AC 1000V for 1 sec | |
| 브레이크 작동 시간 | 50ms | |
| 브레이크 해지 시간 | 50ms | |
| 회전 공차 | 1° | |
| 긴급 브레이크 횟수 | 200 cycles | |
| 수명 | 500,000 cycles | |
| 소음 레벨 | <60db | |