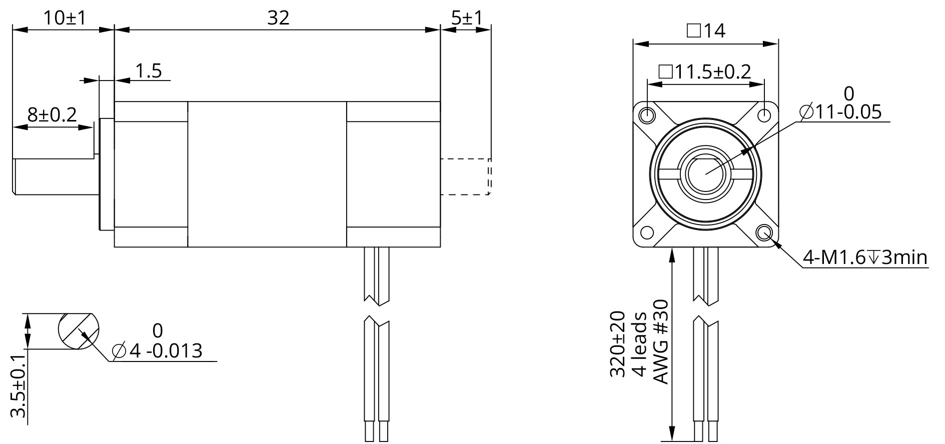
14mm [NEMA 6] 사이즈의 하이브리드 스텝 모터는 최대 0.005N·m의 홀딩 토크를 가지고 있습니다.
In a mobile environment, you can move left and right to see the contents (tables).
| 일반 | |||||||
|---|---|---|---|---|---|---|---|
| 정밀도 | 스텝 각도 | 1.8°±5% | |||||
| 저항 | ±10% / 20 C | ||||||
| 인덕턴스 | ±20% / 1KHz | ||||||
| 절연 등급 | B | ||||||
| Duty 종류 | S1 | ||||||
| 내전압 | 250 VAC / 1 KHz / 1 mA / 1 s | ||||||
| 절연 저항 | 100 MΩ / 500 VDC | ||||||
| 허용 반경 방향 하중 (모터 취부면으로부터 5mm 거리) |
허용 반경 방향 하중 (모터 취부면으로부터 10mm 거리) |
허용 반경 방향 하중 (모터 취부면으로부터 15mm 거리) |
허용 반경 방향 하중 (모터 취부면으로부터 20mm 거리) |
||||
| 15N | 12N | 8N | 6N | ||||
| 파라미터 | |||||||
| 종류 | 전류 (A [RMS]) |
저항 (Ω) |
인덕턴스 (mH) |
홀딩 토크 (N·m) |
로터 관성 (g·cm²) |
길이 (mm) |
중량 (g) |
| 6H2030 | 0.25 | 23 | 4.5 | 0.005 | 1.5 | 32 | 35 |
| 재질 | |||||||
| 모터 전/후 하우징 | 알루미늄 합금 | ||||||
| 베어링 | 깊은 홈 볼 베어링 | ||||||
| 자석 | NdFeB 소결 자석 | ||||||
| 샤프트 | 스테인레스 강 | ||||||
| 리드와이어 | UL 3135, AWG30 | ||||||
In a mobile environment, you can move left and right to see the contents (tables).
| 분 해 능 (CPR) |
250 | 256 | 500 | 512 | 1000 | 1024 | 2000 | 2048 | 4000 | 4096 |
| 단상출력 | 0 | 1 | 2 | 3 | 4 | 5 | 6 | 7 | 8 | 9 |