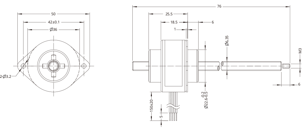
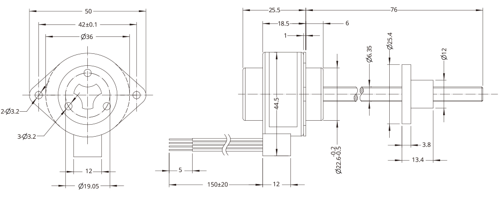
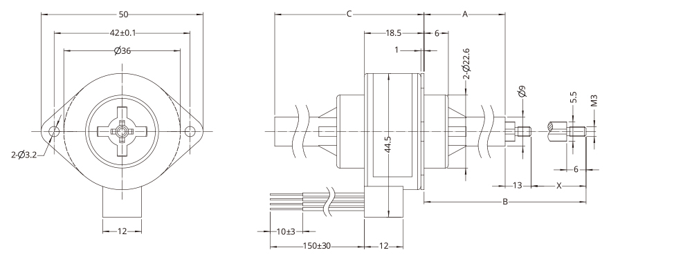
사이즈 36mm PM 리니어 액츄에이터는 External, Non-Captive 및 Kaptive 형태의 제품을 가지고 있으며 다양한 스크류 선단 가공 및 길이 외 다양한 커스터마이제이션 옵션이 가능합니다.
In a mobile environment, you can move left and right to see the contents (tables).
| 36mm 사이즈 | ||||
|---|---|---|---|---|
| 극성 | 바이폴라 | |||
| 리니어 액츄에이터 종류 | External, Non-captive, Kaptive | |||
| 스텝 각도 | 7.5° | 15° | ||
| 권선 | 5V | 12V | 5V | 12V |
| 모터 상 전류 | 560mA | 230mA | 560mA | 230mA |
| 모터 상 저항 | 9Ω | 52Ω | 9Ω | 52Ω |
| 모터 상 인덕턴스 | 11.5mH | 72mH | 8mH | 56mH |
| 소비 전력 | 5.6W | |||
| 로터 관성 | 8.5gcm2 | |||
| 절연 등급 | B | |||
| 절연 저항 | 100MΩ | |||
| 중량 | 120g | |||
In a mobile environment, you can move left and right to see the contents (tables).
| 스텝 각도 | 스크류 직경 (mm) | 스크류 리드 | 스텝별 이송 거리 | 스크류 리드 코드 | ||
|---|---|---|---|---|---|---|
| mm | inch | mm | inch | |||
| 7.5° | Φ4.77 | 0.635 | 0.025 | 0.0132 | 0.00052 | A |
| 1.27 | 0.05 | 0.0265 | 0.00104 | D | ||
| 2.54 | 0.1 | 0.0529 | 0.00208 | K | ||
| Φ6.35 | 0.6096 | 0.024 | 0.0127 | 0.0005 | AA | |
| 1.2192 | 0.048 | 0.0254 | 0.001 | B | ||
| 2.4384 | 0.096 | 0.0508 | 0.002 | J | ||
| 15° | Φ4.77 | 0.635 | 0.025 | 0.0265 | 0.00104 | A |
| 1.27 | 0.05 | 0.0529 | 0.00208 | D | ||
| 2.54 | 0.1 | 0.1058 | 0.00417 | K | ||
| Φ6.35 | 0.6096 | 0.024 | 0.0254 | 0.001 | AA | |
| 1.2192 | 0.048 | 0.0508 | 0.002 | B | ||
| 2.4384 | 0.096 | 0.1016 | 0.004 | J | ||
| 스트로크 X (mm) | 전단부 길이 A | 총 연장 길이 B | 모터 길이 C (최대) |
|---|---|---|---|
| 16 | 12±0.25 | 41 | 31.5 |
| 25 | 21±0.25 | 59 | 40.5 |
| 38 | 34±0.25 | 85 | 53.5 |
고객의 요구 사항이 그리스 미도포 스크류 및 너트를 필요로 하는 경우, 딩스는 테프론 코팅 리드 스크류의 스텝 모터 리니어 액츄에이터를 제공합니다.
테프론 코팅된 리드 스크류 기반의 스텝 모터 리니어 액츄에이터는 통상적인 일반 SUS 기반의 리드스크류 대비 수명을 연장하고 더 나은 추력을 낼 수 있습니다.
딩스가 제공하는 모든 형태의 리드 스크류 옵션 즉, 리드 스크류 기반의 External, Non-Captive 그리고 Kaptive 타입의 PM 액츄에이터에 테프론 코팅을 적용할 수 있습니다.