15mm 사이즈PM 스텝 모터 리니어 액츄에이터

15mm 사이즈는 PM 스텝 모터 리니어 액츄에이터 중에서 가장 작은 사이즈입니다.

External 그리고 Kaptive 형태의 제품이 있습니다.

다양한 스크류 선단 가공 및 길이 외 다양한 커스터마이제이션 옵션이 가능합니다.

15mm PM Stepper Linear Actuators images

모터 특성

In a mobile environment, you can move left and right to see the contents (tables).

15mm 사이즈
극성 바이폴라
리니어 액츄에이터 종류 External, Kaptive
스텝 각도 18°
권선 4V 5V 12V
모터 상 전류 200mA 160mA 70mA
모터 상 저항 20Ω 33Ω 180Ω
모터 상 인덕턴스 506mH 8.7mH 49mH
소비 전력 1.6W
로터 관성 1gcm2
절연 등급 E
절연 저항 100MΩ
중량 15g

사용 가능 리드스크류 및 스텝별 이송거리

In a mobile environment, you can move left and right to see the contents (tables).

스텝 각도 스크류 리드 스텝별 이송 거리 스크류 리드 코드
mm inch mm inch
18° 0.5 0.0197 0.025 0.000985 AD
1 0.0394 0.05 0.00197 AB

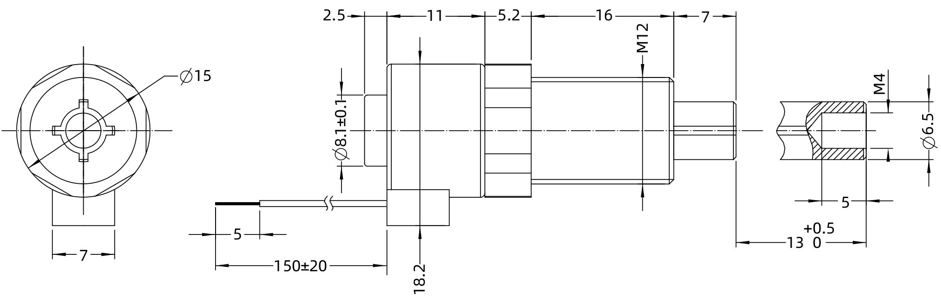
도면 치수

external actuator images
external actuator demension
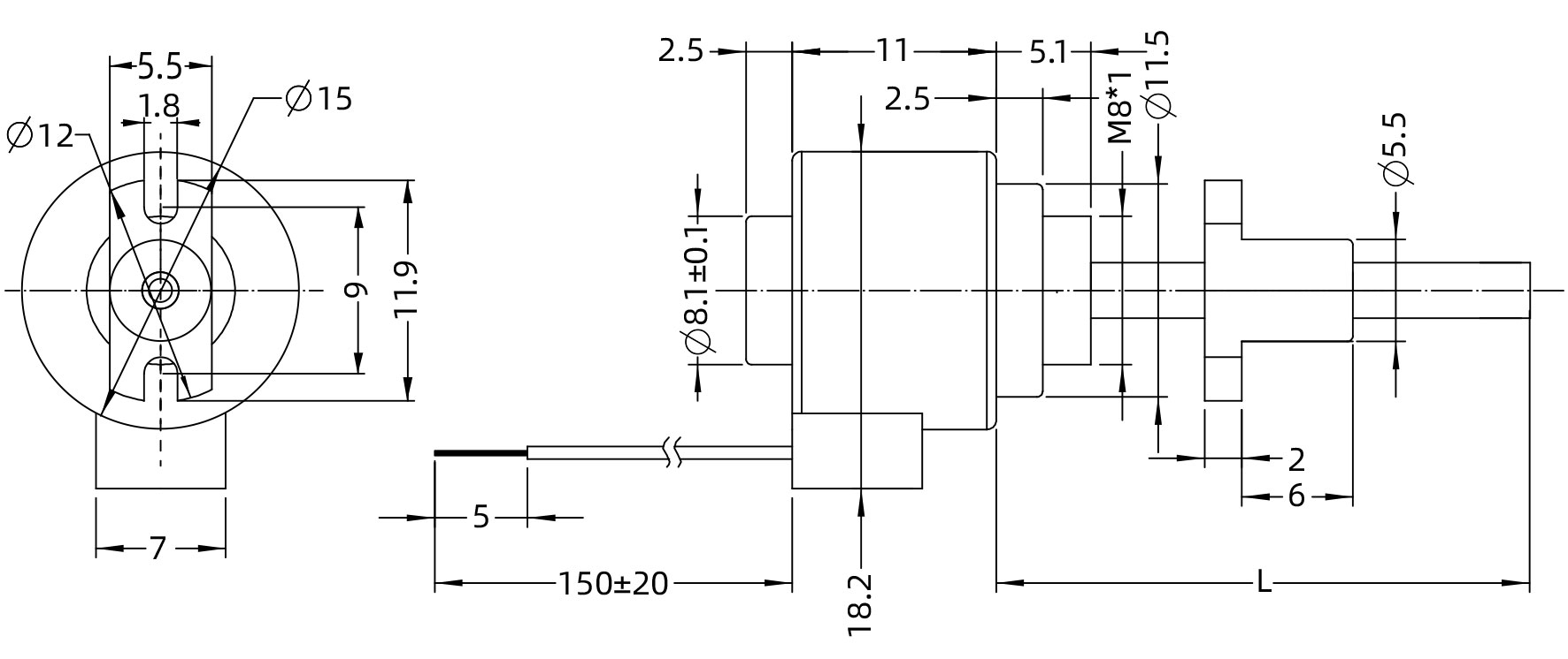
kaptive actuator images
kaptive PM Stepper Linear Actuator

참고: 15mm Kaptive 타입의 경우, 적용 가능한 스트로크는 13mm입니다.

속도 추력 곡선

speed thrust curves image

옵션

스크류 끝단 가공
opt screw end machining
테프론 코팅

고객의 요구 사항이 그리스 미도포 스크류 및 너트를 필요로 하는 경우, 딩스는 테프론 코팅 리드 스크류의 스텝 모터 리니어 액츄에이터를 제공합니다.

테프론 코팅된 리드 스크류 기반의 스텝 모터 리니어 액츄에이터는 통상적인 일반 SUS 기반의 리드스크류 대비 수명을 연장하고 더 나은 추력을 낼 수 있습니다.

딩스가 제공하는 모든 형태의 리드 스크류 옵션 즉, 리드 스크류 기반의 External, Non-Captive 그리고 Kaptive 타입의 PM 액츄에이터에 테프론 코팅을 적용할 수 있습니다.

teflon coat