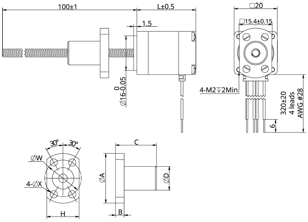
20mm [NEMA8] 사이즈 볼 스크류 일체형 External 리니어 액츄에이터입니다.
다양한 스크류 끝단 가공과 엔코더 옵션들을 선택할 수 있습니다.
In a mobile environment, you can move left and right to see the contents (tables).
| 제품 모델 번호 | 정격 전압[V] | 전류[A [RMS]] | 저항[Ω] | 인덕턴스[mH] | 리드 와이어 숫자 | 모터 길이 "L"[mm] |
|---|---|---|---|---|---|---|
| 8E2105 | 2.55 | 0.5 | 5.1 | 1.5 | 4 | 27.2 |
| 8E2205 | 4.4 | 0.5 | 8.8 | 2.7 | 4 | 38.1 |
In a mobile environment, you can move left and right to see the contents (tables).
| 볼스크류 타입 | 0401 | 0402 |
|---|---|---|
| 볼 사이즈 | Ф0.8 | Ф0.8 |
| 나사선 숫자 | 1 | 1 |
| 나사선 방향 | Right | |
| 샤프트 직경 | Ф3.3 | |
| 회전 숫자 [회전 X Circuit] | 3.7×1 | 2.7×1 |
| 샤프트, 너트 재질 | SCM415H | |
| 표면 경도 | HRC58~62 | |
| 방청 처리 | Anti-rust oil | |
| 등급 | C7 | |
| 너트 사이즈 |
A | B | C | D | H | W | X | 축방향 공차 (mm) |
동하중 [N] |
정하중 [N] |
|---|---|---|---|---|---|---|---|---|---|---|
| BS0401 | 19 | 3 | 13 | 9 | 13 | 14 | 2.9 | ≤0.02 | 560 | 790 |
| BS0402 | 23 | 4 | 19 | 11 | 15 | 17 | 3.4 | ≤0.02 | 420 | 570 |
In a mobile environment, you can move left and right to see the contents (tables).
| 분해능 [CPR] |
100 | 108 | 120 | 125 | 128 | 200 | 250 | 256 | 300 | 360 | 400 | 500 | 1000 | 512 | 720 | 800 |
| 단상 출력 | 0 | 1 | 2 | 3 | 4 | 5 | 6 | 7 | 8 | 9 | 10 | 11 | 12 | 13 | 14 | 15 |
| 차동 출력 | A | B | C | D | E | F | G | H | I | J | K | L | M | N | O | P |
In a mobile environment, you can move left and right to see the contents (tables).
| 정격 전압 | DC 24V ± 5% | |
|---|---|---|
| 저항 | 55Ω ± 10% | |
| 전력 소모 | 9.6W | |
| 홀딩 토크 | >0.06N.M | |
| 절연 등급 | B | |
| 절연 저항 | >100MΩ (DC500V) | |
| 내전압 | AC 1000V for 1 sec | |
| 브레이크 작동 시간 | 50ms | |
| 브레이크 해지 시간 | 50ms | |
| 회전 공차 | 1° | |
| 긴급 브레이크 횟수 | 200 cycles | |
| 수명 | 500,000 cycles | |
| 소음 레벨 | <60db | |