사이즈 6 볼스크류 스텝 모터 리니어 액츄에이터는 가장 작은 사이즈의 제품입니다.
External 타입 제품으로 공급됩니다.
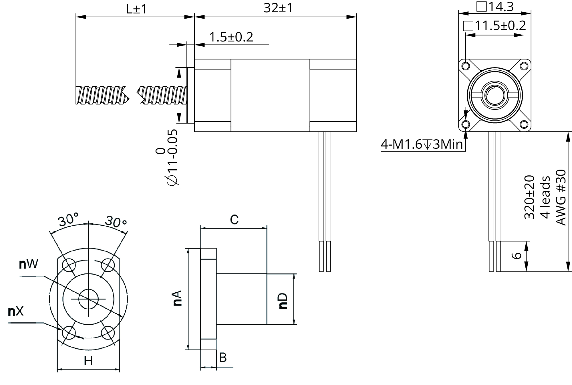
다양한 스크류 끝단 가공과 엔코더 옵션들을 선택할 수 있습니다.
In a mobile environment, you can move left and right to see the contents (tables).
| 제품 모델 번호 | 정격 전압[V] | 전류[A [RMS]] | 저항[Ω] | 인덕턴스[mH] | 리드 와이어 숫자 | 모터 길이 "L"[mm] |
|---|---|---|---|---|---|---|
| 6E2103 | 6.6 | 0.25 | 22 | 3.6 | 4 | 32 |
In a mobile environment, you can move left and right to see the contents (tables).
| 볼스크류 타입 | 0401 | 0402 |
|---|---|---|
| 볼 사이즈 | Ф0.8 | Ф0.8 |
| 나사선 숫자 | 1 | 1 |
| 나사선 방향 | Right | |
| 샤프트 직경 | Ф3.3 | |
| 회전 숫자 [회전 X Circuit] | 3.7×1 | 2.7×1 |
| 샤프트, 너트 재질 | SCM415H | |
| 표면 경도 | HRC58~62 | |
| 방청 처리 | Anti-rust oil | |
| 등급 | C7 | |
| 너트 사이즈 |
A | B | C | D | H | W | X | 축방향 공차 (mm) |
동하중 [N] |
정하중 [N] |
|---|---|---|---|---|---|---|---|---|---|---|
| BS0401 | 19 | 3 | 13 | 9 | 13 | 14 | 2.9 | ≤0.02 | 560 | 790 |
| BS0402 | 23 | 4 | 19 | 11 | 15 | 17 | 3.4 | ≤0.02 | 420 | 570 |
In a mobile environment, you can move left and right to see the contents (tables).
| 분 해 능(CPR) |
250 | 256 | 500 | 512 | 1000 | 1024 | 2000 | 2048 | 4000 | 4096 |
| 단상 출력 | 0 | 1 | 2 | 3 | 4 | 5 | 6 | 7 | 8 | 9 |