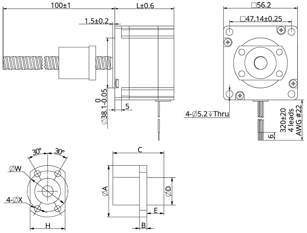
57mm [NEMA23] 사이즈 볼 스크류 일체형 External 리니어 액츄에이터입니다.
다양한 스크류 끝단 가공과 엔코더 옵션들을 선택할 수 있습니다.
In a mobile environment, you can move left and right to see the contents (tables).
| 제품 모델 번호 | 정격 전압[V] | 전류[A [RMS]] | 저항[Ω] | 인덕턴스[mH] | 리드 와이어 숫자 | 모터 길이 "L"[mm] |
|---|---|---|---|---|---|---|
| 23E2120 | 3.5 | 1.5 | 1.75 | 4.1 | 4 | 45 |
| 23E2130 | 2.4 | 3 | 0.8 | 1.7 | 4 | 45 |
| 23E2225 | 5 | 2.5 | 2 | 5.2 | 4 | 65 |
| 23E2240 | 2.8 | 4 | 0.7 | 2 | 4 | 65 |
In a mobile environment, you can move left and right to see the contents (tables).
| 볼스크류 타입 | 1002 | 1004 | 1005 | 1010 | 1015 | 1020 | 1202 | 1210 |
|---|---|---|---|---|---|---|---|---|
| 볼 사이즈 | Ф1.5875 | Ф2.0 | Ф2.0 | Ф2.0 | Ф2.0 | Ф1.5875 | Ф1.5875 | Ф2.381 |
| 나사선 숫자 | 1 | 1 | 1 | 2 | 2 | 4 | 1 | 2 |
| 나사선 방향 | Right | |||||||
| 샤프트 직경 | Ф8.6 | Ф8.2 | Ф8.2 | Ф8.4 | Ф8.4 | Ф8.7 | Ф10.6 | Ф10.2 |
| 회전 숫자 [회전 X Circuit] | 3.7×1 | 2.7×1 | 2.7×1 | 1.6×2 | 1.6×2 | 0.7×4 | 3.7×1 | 1.7 x 2 |
| 샤프트, 너트 재질 | SCM415H | |||||||
| 표면 경도 | HRC58~62 | |||||||
| 방청 처리 | Anti-rust oil | |||||||
| 등급 | C7 | |||||||
| 너트 사이즈 |
A | B | C | D | H | W | X | E | 축방향 공차 (mm) |
동하중 [N] |
정하중 [N] |
|---|---|---|---|---|---|---|---|---|---|---|---|
| BS1202 | 37 | 5 | 28 | 20 | 24 | 29 | 4.5 | ≤0.02 | 1600 | 3700 | |
| BS1205 | 40 | 10 | 30 | 24 | 30 | 32 | 4.5 | 15 | ≤0.02 | 6610 | 13160 |
| BS1210 | 40 | 10 | 42 | 24 | 30 | 32 | 4.5 | 27 | ≤0.02 | 6420 | 12870 |
| BS1220 | 40 | 5 | 46 | 24 | 24 | 32 | 4.5 | 37 | ≤0.02 | 6700 | 10100 |
In a mobile environment, you can move left and right to see the contents (tables).
| 분해능 [CPR] | 50 | 100 | 192 | 200 | 250 | 256 | 360 | 400 | 500 | 720 | 900 | 1000 | 1250 | 2000 | 2500 | 4000 | 5000 |
| 단상 출력 | 0 | 1 | 2 | 3 | 4 | 5 | 6 | 7 | 8 | 9 | 10 | 11 | 12 | ||||
| 차동 출력 | A | B | C | D | E | F | G | H | I | J | K | L | M | N | O | P | Q |
In a mobile environment, you can move left and right to see the contents (tables).
| 분해능 [CPR] | 64 | 100 | 200 | 500 | 1000 | 1800 | 2000 | 2500 | 3600 | 4000 | 5000 | 7200 | 8000 | 10000 |
| 단상 출력 | 0 | 1 | 2 | 3 | 4 | 5 | 6 | 7 | 8 | |||||
| 차동 출력 | A | B | C | D | E | F | G | H | I | J | K | L | M |
In a mobile environment, you can move left and right to see the contents (tables).
| 정격 전압 | DC 24V ± 5% | |
|---|---|---|
| 저항 | 141Ω ± 10% | |
| 전력 소모 | 5W | |
| 홀딩 토크 | >2N.M | |
| 절연 등급 | B | |
| 절연 저항 | >100MΩ (DC500V) | |
| 내전압 | AC 1000V for 1 sec | |
| 브레이크 작동 시간 | 50ms | |
| 브레이크 해지 시간 | 50ms | |
| 회전 공차 | 1° | |
| 긴급 브레이크 횟수 | 200 cycles | |
| 수명 | 500,000 cycles | |
| 소음 레벨 | <60db | |