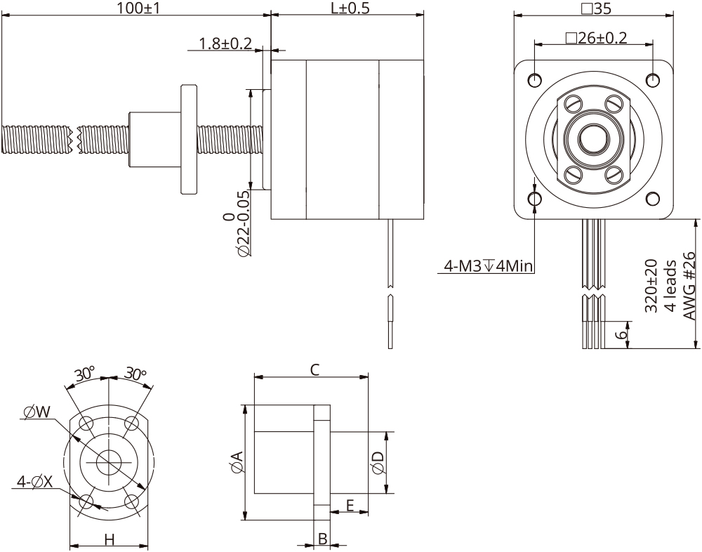
35mm [NEMA14] 사이즈 볼 스크류 일체형 External 리니어 액츄에이터입니다.
다양한 스크류 끝단 가공과 엔코더 옵션들을 선택할 수 있습니다.
In a mobile environment, you can move left and right to see the contents (tables).
| 제품 모델 번호 | 정격 전압[V] | 전류[A [RMS]] | 저항[Ω] | 인덕턴스[mH] | 리드 와이어 숫자 | 모터 길이 "L"[mm] |
|---|---|---|---|---|---|---|
| 14E2110 | 3.5 | 1 | 3.5 | 3.6 | 4 | 33.6 |
| 14E2115 | 2.7 | 1.5 | 1.8 | 1.9 | 4 | 33.6 |
| 14E2210 | 6 | 1 | 6 | 7.2 | 4 | 45.6 |
| 14E2215 | 4 | 1.5 | 2.7 | 3.2 | 4 | 45.6 |
In a mobile environment, you can move left and right to see the contents (tables).
| 볼스크류 타입 | 0601 | 0602 | 0606 | 0801 | 0802 | 0805 | 0808 | 0810 | |||
|---|---|---|---|---|---|---|---|---|---|---|---|
| 볼 사이즈 | Ф0.8 | Ф0.8 | Ф0.8 | Ф0.8 | Ф1.5875 | Ф1.5875 | Ф1.5875 | Ф1.5875 | |||
| 나사선 숫자 | 1 | 1 | 2 | 1 | 1 | 1 | 2 | 2 | |||
| 나사선 방향 | Right | ||||||||||
| 샤프트 직경 | Ф5.3 | Ф5.1 | Ф5.2 | Ф7.3 | Ф6.6 | Ф6.6 | Ф6.7 | Ф6.7 | |||
| 회전 숫자 [회전 X Circuit] | 3.7×1 | 2.7×1 | 1.6×2 | 3.7×1 | 3.7×1 | 2.7×1 | 1.6×2 | 1.6×2 | |||
| 샤프트, 너트 재질 | SCM415H | ||||||||||
| 표면 경도 | HRC58~62 | ||||||||||
| 방청 처리 | Anti-rust oil | ||||||||||
| 등급 | C7 | ||||||||||
| 너트 사이즈 |
A | B | C | D | H | W | X | E | 축방향 공차 (mm) |
동하중 [N] |
정하중 [N] |
|---|---|---|---|---|---|---|---|---|---|---|---|
| BS0601 | 24 | 3.5 | 15 | 12 | 16 | 18 | 3.4 | ≤0.02 | 680 | 1200 | |
| BS0602 | 29 | 4 | 17 | 15 | 19 | 22 | 3.4 | ≤0.02 | 880 | 1500 | |
| BS0606 | 27 | 4 | 17.2 | 14 | 16 | 21 | 3.4 | 5.2 | ≤0.02 | 870 | 1450 |
| BS0801 | 26 | 4 | 16 | 13 | 17 | 20 | 3.4 | ≤0.02 | 780 | 1650 | |
| BS0802 | 27 | 4 | 16 | 14 | 18 | 21 | 3.4 | ≤0.02 | 1300 | 2300 | |
| BS0805 | 31 | 4 | 28 | 18 | 20 | 25 | 3.4 | ≤0.02 | 1850 | 3000 | |
| BS0808 | 31 | 4 | 21.5 | 18 | 20 | 25 | 3.4 | 6 | ≤0.02 | 2200 | 3800 |
| BS0810 | 31 | 4 | 24 | 18 | 20 | 25 | 3.4 | 7 | ≤0.02 | 2200 | 3900 |
In a mobile environment, you can move left and right to see the contents (tables).
| 분해능 [CPR] |
100 | 108 | 120 | 125 | 128 | 200 | 250 | 256 | 300 | 360 | 400 | 500 | 1000 | 512 | 720 | 800 |
| 단상 출력 | 0 | 1 | 2 | 3 | 4 | 5 | 6 | 7 | 8 | 9 | 10 | 11 | 12 | 13 | 14 | 15 |
| 차동 출력 | A | B | C | D | E | F | G | H | I | J | K | L | M | N | O | P |
In a mobile environment, you can move left and right to see the contents (tables).
| 분해능 [CPR] | 50 | 100 | 192 | 200 | 250 | 256 | 360 | 400 | 500 | 720 | 900 | 1000 | 1250 | 2000 | 2500 | 4000 | 5000 |
| 단상 출력 | 0 | 1 | 2 | 3 | 4 | 5 | 6 | 7 | 8 | 9 | 10 | 11 | 12 | ||||
| 차동 출력 | A | B | C | D | E | F | G | H | I | J | K | L | M | N | O | P | Q |
In a mobile environment, you can move left and right to see the contents (tables).
| 정격 전압 | DC 24V ± 5% | |
|---|---|---|
| 저항 | 217Ω ± 10% | |
| 전력 소모 | 4W | |
| 홀딩 토크 | >0.3N.M | |
| 절연 등급 | B | |
| 절연 저항 | >100MΩ (DC500V) | |
| 내전압 | AC 1000V for 1 sec | |
| 브레이크 작동 시간 | 50ms | |
| 브레이크 해지 시간 | 50ms | |
| 회전 공차 | 1° | |
| 긴급 브레이크 횟수 | 200 cycles | |
| 수명 | 500,000 cycles | |
| 소음 레벨 | <60db | |