Size 11 [28mm] DLG/DRS 전동 슬라이드
볼스크류 리니어 액츄에이터

DLG 시리즈는 스텝 모터와 볼스크류가 일체화된 가이드 지지 형태의 정밀 리니어 모션 구현 가능 제품입니다.

가이드가 지지되는 DLG 시리즈는 커플링이나 다른 기타 부분들의 공간을 줄여 줄 수 있습니다. 따라서 고정밀도이면서 동시에 장비의 최소화를 실현할 수 있는 제품입니다.

28mm [NEMA 11] 사이즈의 DLG 시리즈는 DLG 시리즈 중, 가장 작은 사이즈 제품으로 스트로크는 30mm 입니다. 고객이 원할 경우 가이드가 빠진 형태의 DRS 시리즈도 선택 가능합니다.

Size 11 [28mm] Ball Screw Linear Actuators

모터 특성

In a mobile environment, you can move left and right to see the contents (tables).

제품 모델 번호정격 전압[V]전류[A [RMS]]저항[Ω]인덕턴스[mH]리드 와이어 숫자모터 길이 "L"[mm]
DLG28S12.112.11.5433.5
DLG28D13.90.954.14445

액츄에이터 특성

In a mobile environment, you can move left and right to see the contents (tables).

스트로크 30mm
최대 추력 30N
반복 위치 정밀도 0.01mm
선택 가능 볼스크류 리드 1mm/2mm

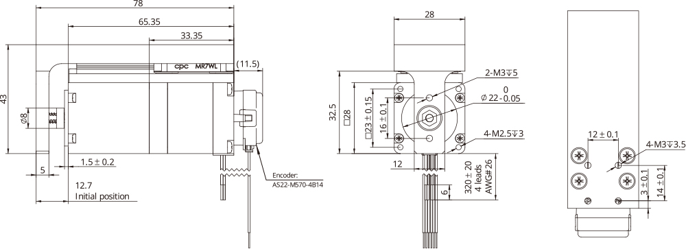
도면 치수

속도 추력 곡선

테스트 조건
테스트 전압: 24Vdc, 드라이브 모델: DS-OLS2-FPD 바이폴라, 정격 전류(rms)에서 chopper 드라이브.
모터의 추력은 전압의 변동 및 드라이브에 따라 변경 됩니다. 50%의 추력 안전 마진율 고려를 권장드립니다.

옵션 사양

엔코더 옵션
EK1 Encoder images
EK1 Encoder images

In a mobile environment, you can move left and right to see the contents (tables).

분해능 [CPR] 100 108 120 125 128 200 250 256 300 360 400 500
단상 출력 0 1 2 3 4 5 6 7 8 9 10 11
차동 출력 A B C D E F G H I J K L
브레이크 [사이즈 11 모터 적용]

Size 11 [28mm]

In a mobile environment, you can move left and right to see the contents (tables).

정격 전압 DC 24V ± 5%
저항 143.7Ω ± 10%
전력 소모 5.5W
홀딩 토크 >0.3N.M
절연 등급 B
절연 저항 >100MΩ (DC500V)
내전압 AC 1000V for 1 sec
브레이크 작동 시간 50ms
브레이크 해지 시간 50ms
회전 공차
긴급 브레이크 횟수 200 cycles
수명 500,000 cycles
소음 레벨 <60db
Size 11 [28mm]
<