Size 6 [14mm]리드 스크류 스텝 모터 리니어 액츄에이터

14mm [NEMA 6] 사이즈의 리드 스크류 스텝 모터 리니어 액츄에이터는 딩스에서 제공하는 가장 작은 사이즈의 초소형 액츄에이터로서 14mm의 프레임 사이즈 그리고 최대 19N추력 능력의 제품입니다

Size 6 [14mm] Hybrid Stepper Linear Actuators images

모터 특성

In a mobile environment, you can move left and right to see the contents (tables).

모터전압[V]전류[A [RMS]]저항[Ω]인덕턴스[mH]무게[g]리드와이어 수.모터 길이[mm]
6-21036.60.25224.560432
주의

모터 절연 등급 Class B, 모터 온도 상승 80°C, 사용 환경 온도 -20℃~55℃

사용 가능 리드스크류 및 스텝별 이송거리

In a mobile environment, you can move left and right to see the contents (tables).

스크류 직경 [인치]스크류 직경 [mm]리드 [인치]리드 [mm]리드 코드 스텝 별 이송 거리 @1.8° [mm]*
0.1383.50.0240.6096AA0.003
0.1383.50.0481.2192B0.0061
0.1383.50.0962.4384J0.0122
0.1383.50.01180.3AF0.0015
0.098 / 0.1282.5 / 3.240.03941AB*0.005
0.1383.50.07872G0.01
0.1383.50.15754M0.02
0.1383.50.3158T0.04
0.1183.00.01970.5AD0.0025
  • * 모터 권선 및 스크류 리드는 고객 요구 사항에 맞게 커스터마이제이션 가능합니다.
    * 관통축과 고정축은 ø 2.5mm 나사 조립만 선택할 수 있습니다.
    * Kaptive 타입의 경우 스크류 코드 AB만 적용 가능합니다.
  • * 소수점 자리 절삭
 

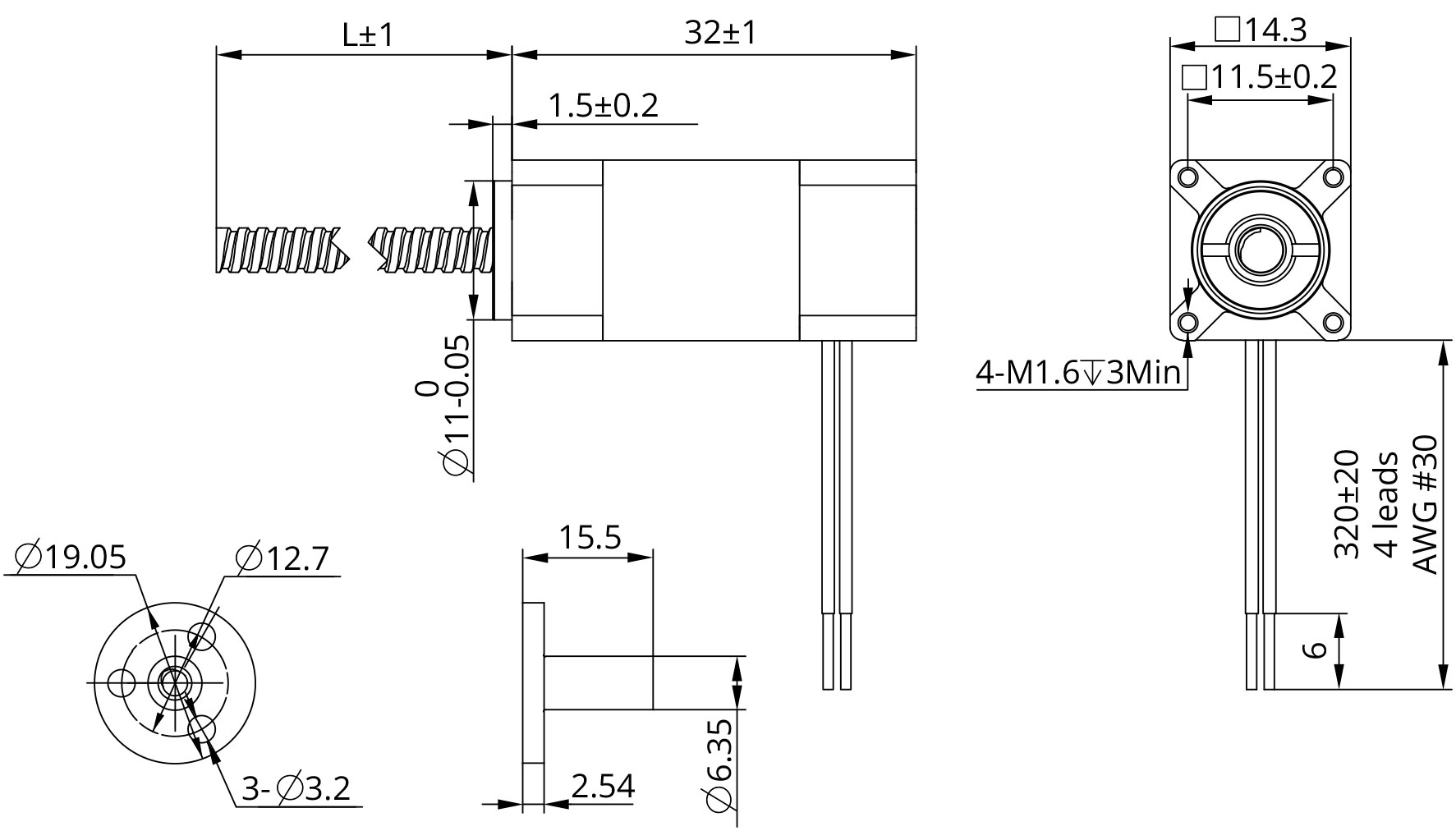
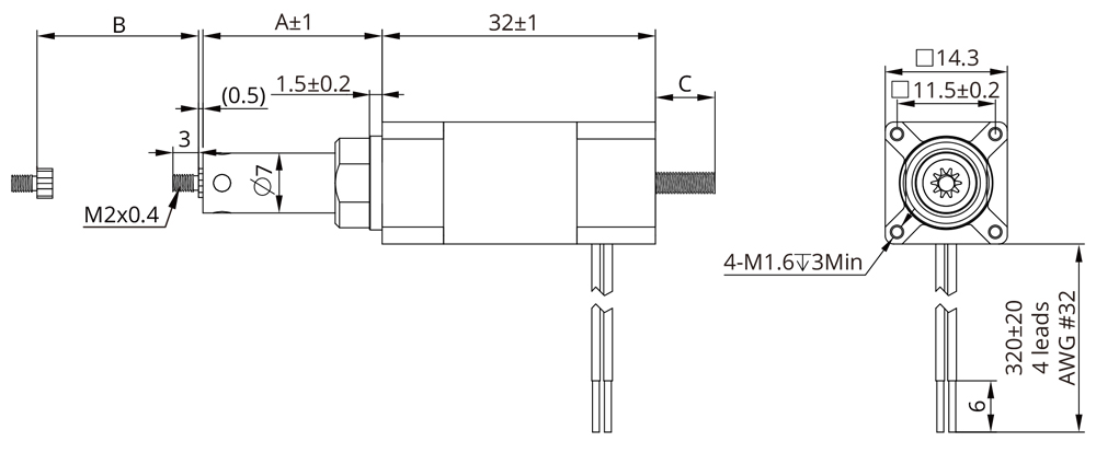
도면 치수

external actuator images
external actuator demension
Non-captive actuator images
Non-captive actuator demension
Kaptive actuator images
Kaptive actuator demension
스트로크 규격
사이즈 A
(mm)
스트로크 B
(mm)
사이즈 C
(mm)
6 5 0
11 10 0
16 15 2
21 20 7

속도 추력 곡선

speed thrust curves image
테스트 조건
테스트 전압: 24Vdc, 드라이브 모델: DS-OLS2-FPD 바이폴라, 정격 전류(rms)에서 chopper 드라이브.
모터의 추력은 전압의 변동 및 드라이브에 따라 변경 됩니다. 50%의 추력 안전 마진율 고려를 권장드립니다.

옵션

스크류 끝단 가공
opt screw end machining
테프론 코팅

고객의 요구 사항이 그리스 미도포 스크류 및 너트를 필요로 하는 경우, 딩스는 테프론 코팅 리드 스크류의 스텝 모터 리니어 액츄에이터를 제공합니다.

테프론 코팅된 리드 스크류 기반의 스텝 모터 리니어 액츄에이터는 통상적인 일반 SUS 기반의 리드스크류 대비 수명을 연장하고 더 나은 추력을 낼 수 있습니다.

딩스가 제공하는 모든 형태의 리드 스크류 옵션 즉, 리드 스크류 기반의 External, Non-Captive, Electric Cylinder 그리고 Kaptive 액츄에이터에 테프론 코팅을 적용할 수 있습니다.

추가로, 백래쉬 방지 너트 역시 테프론 코팅 스크류와 결합되어 사용 가능합니다.

teflon coat
엔코더 옵션
E16 Encoder images
E16 Encoder images

In a mobile environment, you can move left and right to see the contents (tables).



능(CPR)
250 256 500 512 1000 1024 2000 2048 4000 4096
단상 출력 0 1 2 3 4 5 6 7 8 9