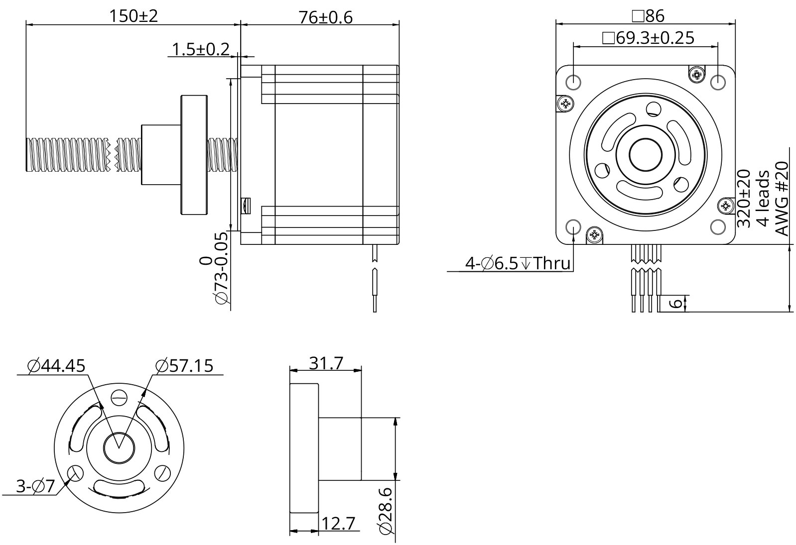
86mm [NEMA 34] 사이즈의 리드 스크류 스텝 모터 리니어 액츄에이터는 딩스에서 제공하는 가장 최대 크기 사이즈 제품이며 연속 추력 2,270N까지의 성능을 발휘할 수 있습니다.
사이즈 34 제품은 External 그리고 Non-Captive 총 2가지로 구성 되어 있습니다.
In a mobile environment, you can move left and right to see the contents (tables).
| 모터 | 전압[V] | 전류[A [RMS]] | 저항[Ω] | 인덕턴스[mH] | 무게[g] | 리드와이어 수. | 모터 길이[mm] |
|---|---|---|---|---|---|---|---|
| 34-2113 | 12 | 1.3 | 9.2 | 71 | 2370 | 4 | 76 |
| 34-2130 | 5.7 | 3 | 1.9 | 15 | 2370 | 4 | 76 |
| 34-2155 | 2.85 | 5.5 | 0.52 | 4.5 | 2370 | 4 | 76 |
모터 절연 등급 Class B, 모터 온도 상승 80°C, 사용 환경 온도 -20℃~55℃
In a mobile environment, you can move left and right to see the contents (tables).
| 스크류 직경 [인치] | 스크류 직경 [mm] | 리드 [인치] | 리드 [mm] | 리드 코드 | 스텝 별 이송 거리 @ 1.8° [mm]* |
|---|---|---|---|---|---|
| 0.625 | 15.875 | 0.1 | 2.54 | K | 0.0127 |
| 0.625 | 15.875 | 0.125 | 3.175 | L | 0.0159 |
| 0.625 | 15.875 | 0.2 | 5.08 | R | 0.0254 |
| 0.625 | 15.875 | 0.25 | 6.35 | S | 0.0318 |
| 0.625 | 15.875 | 0.5 | 12.7 | Y | 0.0635 |
| 0.625 | 15.875 | 1 | 25.4 | Z | 0.127 |
고객의 요구 사항이 그리스 미도포 스크류 및 너트를 필요로 하는 경우, 딩스는 테프론 코팅 리드 스크류의 스텝 모터 리니어 액츄에이터를 제공합니다.
테프론 코팅된 리드 스크류 기반의 스텝 모터 리니어 액츄에이터는 통상적인 일반 SUS 기반의 리드스크류 대비 수명을 연장하고 더 나은 추력을 낼 수 있습니다.
딩스가 제공하는 모든 형태의 리드 스크류 옵션 즉, 리드 스크류 기반의 External, Non-Captive, Electric Cylinder 그리고 Kaptive 액츄에이터에 테프론 코팅을 적용할 수 있습니다.
추가로, 백래쉬 방지 너트 역시 테프론 코팅 스크류와 결합되어 사용 가능합니다.
In a mobile environment, you can move left and right to see the contents (tables).
| 분해능 [CPR] | 64 | 100 | 200 | 500 | 1000 | 1800 | 2000 | 2500 | 3600 | 4000 | 5000 | 7200 | 8000 | 10000 |
| 단상 출력 | 0 | 1 | 2 | 3 | 4 | 5 | 6 | 7 | 8 | |||||
| 차동 출력 | A | B | C | D | E | F | G | H | I | J | K | L | M |
In a mobile environment, you can move left and right to see the contents (tables).
| 정격 전압 | DC 24V ± 5% | |
|---|---|---|
| 저항 | 69Ω ± 10% | |
| 전력 소모 | 12W | |
| 홀딩 토크 | >6N.M | |
| 절연 등급 | B | |
| 절연 저항 | >100MΩ (DC500V) | |
| 내전압 | AC 1000V for 1 sec | |
| 브레이크 작동 시간 | 50ms | |
| 브레이크 해지 시간 | 50ms | |
| 회전 공차 | 1° | |
| 긴급 브레이크 횟수 | 200 cycles | |
| 수명 | 500,000 cycles | |
| 소음 레벨 | <60db | |