Size 11 [28mm]리드 스크류 스텝 모터 리니어 액츄에이터

28mm [NEMA 11] 사이즈의 리드 스크류 스텝 모터 리니어 액츄에이터는 1 in²를 조금 넘는 작은 체적의 모터이지만 140N 이상의 연속 추력을 낼 수 있어, 사이즈 8 모터 대비 약 3배 이상의 추력 발휘가 가능합니다.

사이즈 11 리드 스크류 스텝 모터 리니어 액츄에이터는 External, Non-Captive, Electrical Cylinder (Captive) 및 Kaptive 총 4가지로 구성 되어 있습니다.

Size 11 [28mm] Hybrid Stepper Linear Actuators images

모터 특성

In a mobile environment, you can move left and right to see the contents (tables).

모터전압[V]전류[A [RMS]]저항[Ω]인덕턴스[mH]무게[g]리드와이어 수.모터 길이[mm]
11-21054.550.59.16117433.35
11-21102.112.11.5117433.35
11-22093.90.954.14173445
11-22162.41.61.51.3173445
주의

모터 절연 등급 Class B, 모터 온도 상승 80°C, 사용 환경 온도 -20℃~55℃

사용 가능 리드스크류 및 스텝별 이송거리

In a mobile environment, you can move left and right to see the contents (tables).

스크류 직경 [인치]스크류 직경 [mm]리드 [인치]리드 [mm]리드 코드스텝 별 이송 거리 @ 1.8° [mm]*
0.1884.770.01250.3175AL0.0016
0.1884.770.0250.635A0.0032
0.1884.770.051.27D0.0064
0.1884.770.06251.5875F0.0079
0.2185.560.0962.4384J*0.0122
0.1884.770.12.54K0.0127
0.188 / 0.2184.77 / 5.560.1924.8768Q*0.0244
0.1884.770.25.08R0.0254
0.1884.770.410.16X0.0508
0.1884.770.18744.76AC0.0238
  • * 모터 권선 및 스크류 리드는 고객 요청 사항에 따라 고객 맞춤화 될 수 있습니다.
    * 5.56mm 직경 스크류는 External 제품에만 적용됩니다.
  • * 소수점 자리 절삭
 

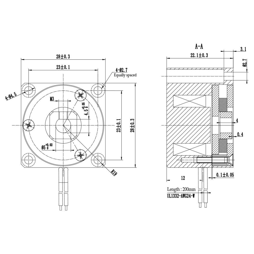
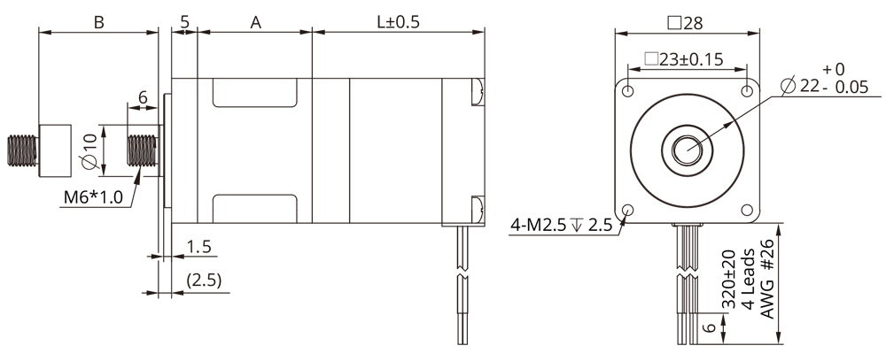
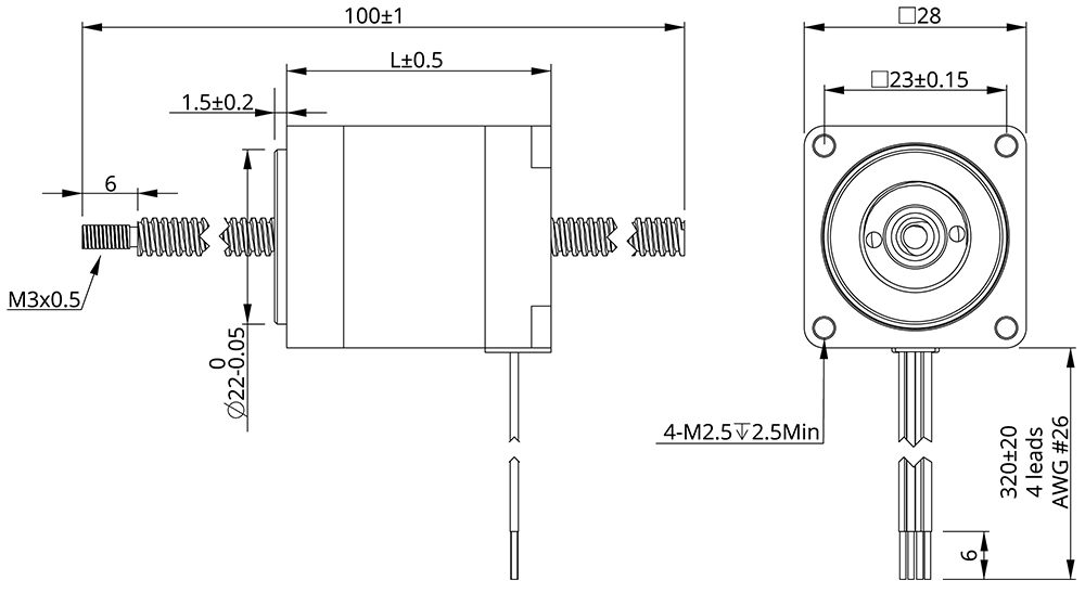
도면 치수

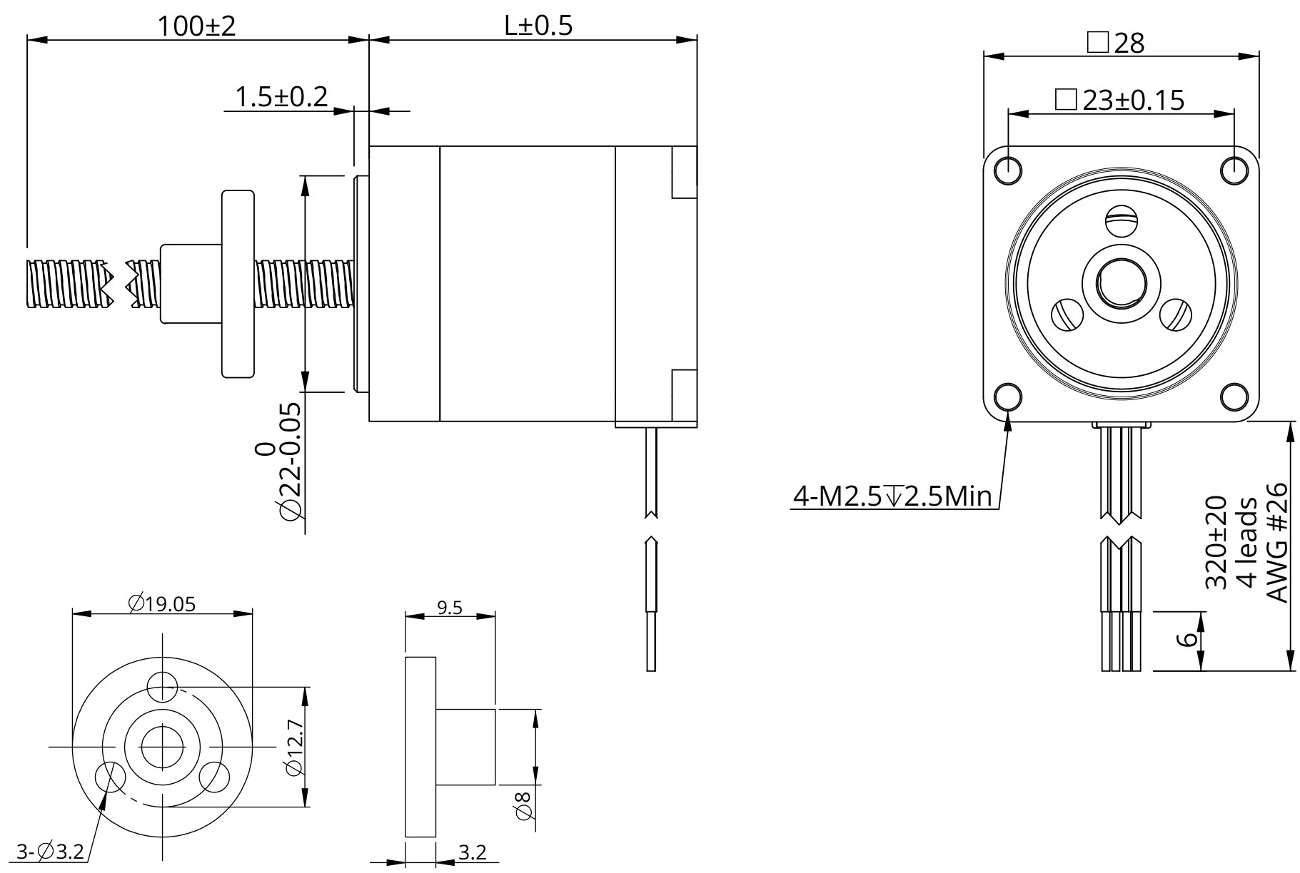
external actuator images
external actuator demension
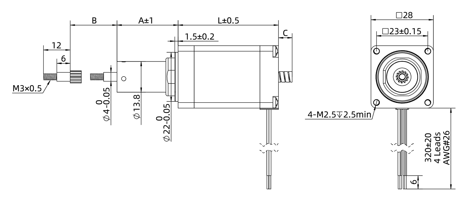
non-captive actuator images
non-captive actuator demension
captive actuator images
captive actuator demension
스트로크 규격
사이즈 A
(mm)
스트로크 B
(mm)
사이즈 L (mm)
22.20 12.70 싱글 Stack
Motor
33.35
더블 Stack
Motor
45
28.55 19.05
34.90 25.40
41.30 31.80
47.60 38.10
60.30 50.80
73.00 63.50
kaptive actuator images
kaptive actuator demension
스트로크 규격
사이즈 A
(mm)
스트로크 B
(mm)
사이즈 C (mm)
L=33.35 L=45
14.7 12.7 1 0
22.1 19.05 7.8 0
27.4 25.4 13.7 4.6
33.8 31.8 20.1 11
40.1 38.1 26.4 17.4
52.8 50.8 39 29.8
65.5 63.5 52.7 42.5

속도 추력 곡선

테스트 조건
테스트 전압: 24Vdc, 드라이브 모델: DS-OLS2-FPD 바이폴라, 정격 전류(rms)에서 chopper 드라이브.
모터의 추력은 전압의 변동 및 드라이브에 따라 변경 됩니다. 50%의 추력 안전 마진율 고려를 권장드립니다.

옵션

스크류 끝단 가공
opt screw end machining
테프론 코팅

고객의 요구 사항이 그리스 미도포 스크류 및 너트를 필요로 하는 경우, 딩스는 테프론 코팅 리드 스크류의 스텝 모터 리니어 액츄에이터를 제공합니다.

테프론 코팅된 리드 스크류 기반의 스텝 모터 리니어 액츄에이터는 통상적인 일반 SUS 기반의 리드스크류 대비 수명을 연장하고 더 나은 추력을 낼 수 있습니다.

딩스가 제공하는 모든 형태의 리드 스크류 옵션 즉, 리드 스크류 기반의 External, Non-Captive 그리고 Kaptive 타입의 PM 액츄에이터에 테프론 코팅을 적용할 수 있습니다.

추가로, 백래쉬 방지 너트 역시 테프론 코팅 스크류와 결합되어 사용 가능합니다.

teflon coat
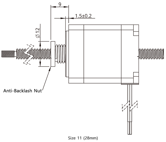
External 백래쉬 방지 너트
External Anti-Backlash Nut

* 선정하시는 리드 스크류 코드에 따라, 백래쉬 방지 너트의 길이는 달라 질 수 있습니다.

Non-Captive 백래쉬 방지 너트
Non-Captive Anti-Backlash Nut
엔코더 옵션
EK1 Encoder images
EK1 Encoder images

In a mobile environment, you can move left and right to see the contents (tables).

분해능
[CPR]
100 108 120 125 128 200 250 256 300 360 400 500 1000 512 720 800
단상 출력 0 1 2 3 4 5 6 7 8 9 10 11 12 13 14 15
차동 출력 A B C D E F G H I J K L M N O P
EK2 Encoder images
EK2 Encoder images

In a mobile environment, you can move left and right to see the contents (tables).

분해능 [CPR] 50 100 192 200 250 256 360 400 500 720 900 1000 1250 2000 2500 4000 5000
단상 출력 0 1 2 3 4 5 6 7 8 9 10 11 12
차동 출력 A B C D E F G H I J K L M N O P Q
브레이크[사이즈 11 모터 적용]

Size 11 [28mm]

In a mobile environment, you can move left and right to see the contents (tables).

정격 전압 DC 24V ± 5%
저항 143.7Ω ± 10%
전력 소모 5.5W
홀딩 토크 >0.3N.M
절연 등급 B
절연 저항 >100MΩ (DC500V)
내전압 AC 1000V for 1 sec
브레이크 작동 시간 50ms
브레이크 해지 시간 50ms
회전 공차
긴급 브레이크 횟수 200 cycles
수명 500,000 cycles
소음 레벨 <60db
Size 11 [28mm]